EasyManua.ls Logo

Isal PB 110 E - Page 62

Default Icon
66 pages
Print Icon
To Next Page IconTo Next Page
To Next Page IconTo Next Page
To Previous Page IconTo Previous Page
To Previous Page IconTo Previous Page
Loading...
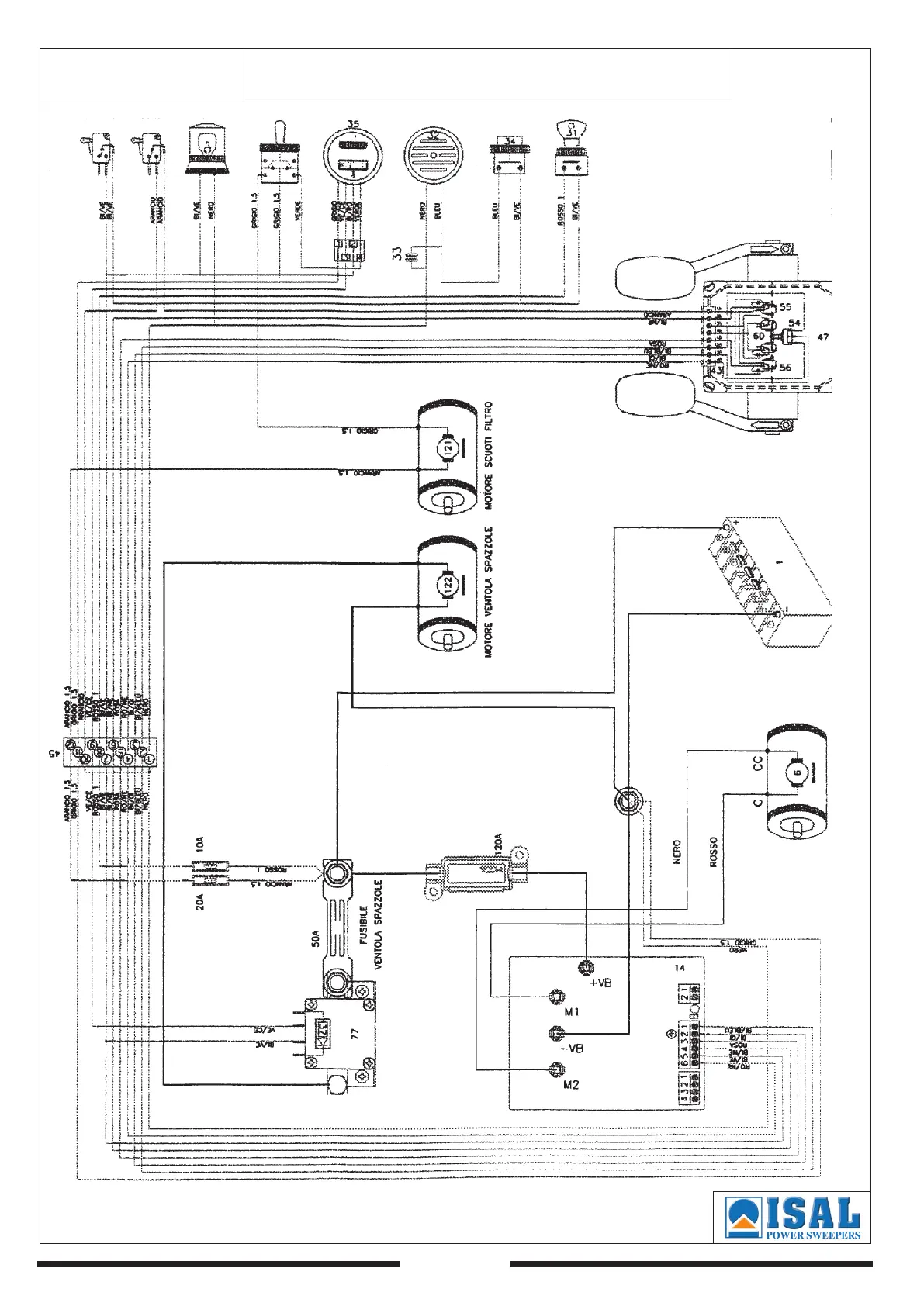
PB 110 - 62
PB 110 E
SCHEMA ELETTRICO - ELECTRIC WIRING SYSTEM
SYSTEME ELECTRIQUE - ESQUEMA ELECTRICO

Related product manuals