EasyManua.ls Logo

Iskra WM3M4 - Page 13

Iskra WM3M4
57 pages
Print Icon
To Next Page IconTo Next Page
To Next Page IconTo Next Page
To Previous Page IconTo Previous Page
To Previous Page IconTo Previous Page
Loading...
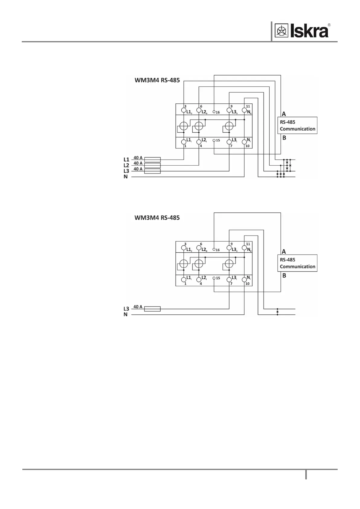
CONNECTION
User’s Manual WM3M4 &WM3M4C
7
Figure 3: Three - phase connection diagram
Figure 4: Single-phase connection diagram

Related product manuals