EasyManua.ls Logo

Jackson CONSERVER XL - Conserver XL (220 Volt, 50 Hz, Single Phase)

Jackson CONSERVER XL
94 pages
Print Icon
To Next Page IconTo Next Page
To Next Page IconTo Next Page
To Previous Page IconTo Previous Page
To Previous Page IconTo Previous Page
Loading...
Conserver XL Series Technical Manual 7610-002-10-23
Issued: 11-28-2007 Revised: N/A
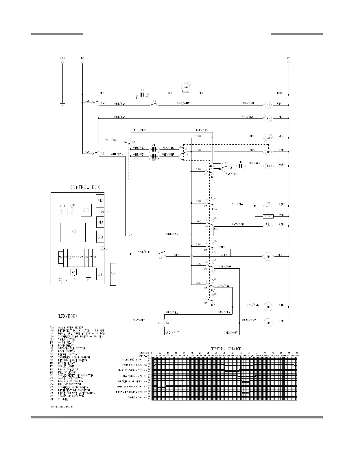
SECTION 6: ELECTRICAL SCHEMATICS
CONSERVER XL2 SERIES (MECHANICAL TIMER) 220 VOLT - 50 HERTZ - SINGLE PHASE
77

Table of Contents

Other manuals for Jackson CONSERVER XL

Related product manuals