EasyManua.ls Logo

Jacobsen TR3 EJ Series - Page 178

Jacobsen TR3 EJ Series
186 pages
Print Icon
To Next Page IconTo Next Page
To Next Page IconTo Next Page
To Previous Page IconTo Previous Page
To Previous Page IconTo Previous Page
Loading...
cs-86
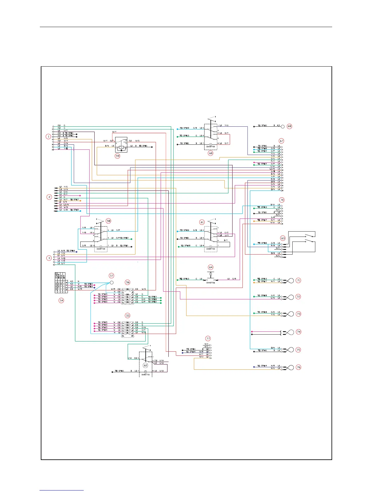
12.2 UKAZATELE ELEKTRICKÉHO OBVODU
TO SP#19
TO SP#19
2
TO SP#19
B
P/Y 1.0
1.0
1
TO SP#11
12 SCHÉMATA

Table of Contents

Related product manuals