EasyManua.ls Logo

Jacobsen Tri King Triplex Mower - Frame

Jacobsen Tri King Triplex Mower
108 pages
Print Icon
To Next Page IconTo Next Page
To Next Page IconTo Next Page
To Previous Page IconTo Previous Page
To Previous Page IconTo Previous Page
Loading...
50
> Change from previous revision
TRI-KING
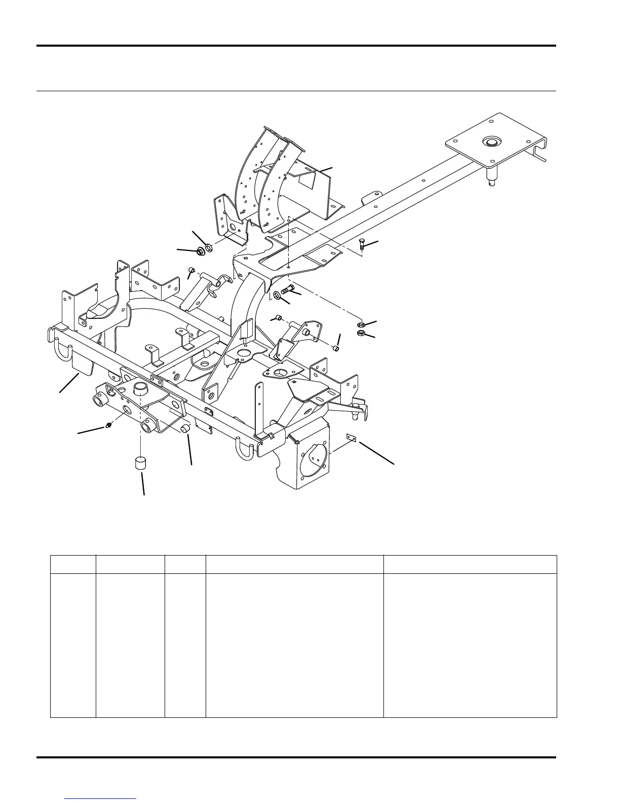
10.1 Frame
Serial No. All
Item Part No. Qty. Description Serial Numbers/Notes
1
4130752 1 Frame
2 328133 4 Bushing
3 3002170 4 Bushing
4 365106 2 Bushing
5 471216 1 Grease Fitting
6 2811393 1 Column Assembly
7 400188 2 Screw. 5/16-18 x 1” Hex Head
8 445781 2 Nut, 5/16-18 Whizlock Flange
9 452006 2 Flat Washer, 5/16
Serial Plate
2
2
2
5
4
3
1
7
8
6
9
9
9
8
7

Table of Contents

Related product manuals