EasyManua.ls Logo

Jacobsen Tri King Triplex Mower - Diesel Engine Mounting

Jacobsen Tri King Triplex Mower
108 pages
Print Icon
To Next Page IconTo Next Page
To Next Page IconTo Next Page
To Previous Page IconTo Previous Page
To Previous Page IconTo Previous Page
Loading...
56
12
13
5
8
10
4
3
25
13
20
20
13
19
12
19
19
12
13
2
13
11
20
13
13
2
1
21
21
1
19
13
18
19
Grounding
Cable to
Engine
Block
15
15
17
17
9
9
16
15
Part of Frame
Part of Frame
14
7
6
TRI-KING
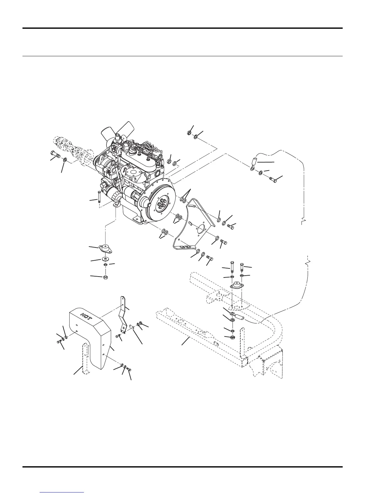
14.1 Diesel Engine Mounting
Diesel Engine
Serial No. All

Table of Contents

Related product manuals