EasyManua.ls Logo

Jacobsen Tri King Triplex Mower - Electrical Schematics

Jacobsen Tri King Triplex Mower
108 pages
Print Icon
To Next Page IconTo Next Page
To Next Page IconTo Next Page
To Previous Page IconTo Previous Page
To Previous Page IconTo Previous Page
Loading...
98
SAI
B
BG
ML
BN
OFF-NONE
RUN - B+I+A; X+Y
OFF-G+M
RUN - B+L
Optional Light Kit
START - B+I+S
RD
RD
Y
X
RD
BK
+
-
B1
M1
G
G
K1
BSP
P
CB1
1 2
RD
BN
BN/BK
BN/YE
BN/GY
BN/RD
BN/RD
RD/WH RD/WH
RD/YE
RD/GN
RD/GN
OR/GN
OR/BN OR/BN
OR/YE
OR/BU
OR/YEOR/WH
YE/GY
RD/YE RD/BK GY
BK
BK
BK
BK
RD/WH
RD/YE
RD/BU
GY
GYBK
BK
RD/YE
GY/BK
GY/RD
RD/OR
RD/OR
RD/OR
RD/BU
RD/OR
RD/OR
OR/GN
OR/GN
OR/YE
BK/WH
BK/WH
BK/WH
OR/YE
OR/YE
OR/GN
OR/GY
OR/GY
RD/OR
RD/OR
RDRD RD
RD
H
RD
OR/RD
RD
CB1
1 2
1
2
3
4
5
6
G
Ig
B
87A
87
30
86
85
87A
87
30
86
85
G
B+
G
I
G
I
S
SW1
SW2
SW3
SW4
SW5
SW6
SW7
SW8
SW9
SW10
SW11
K5
K6
K7
K8
L1
L2
L3
D1
D2
D3
F1
F2
F3
F4
U1
R1
U2 U3 U4
U5
BK
BK/WH
OR/YE
OR/YE
RD
OR
SW12
L4
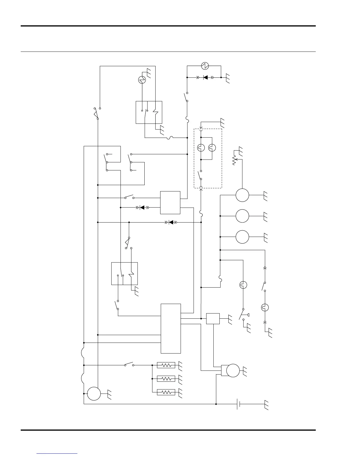
TRI-KING
36.1 Electrical Schematics
Serial No. All

Table of Contents

Related product manuals