EasyManua.ls Logo

Jacobsen Tri King Triplex Mower - Rear Steering

Jacobsen Tri King Triplex Mower
108 pages
Print Icon
To Next Page IconTo Next Page
To Next Page IconTo Next Page
To Previous Page IconTo Previous Page
To Previous Page IconTo Previous Page
Loading...
52
1
13
3
8
2
2
3
8
6
9
7
22
21
12
11
10
9
5
14
15
19
20
18
4
23
17
16
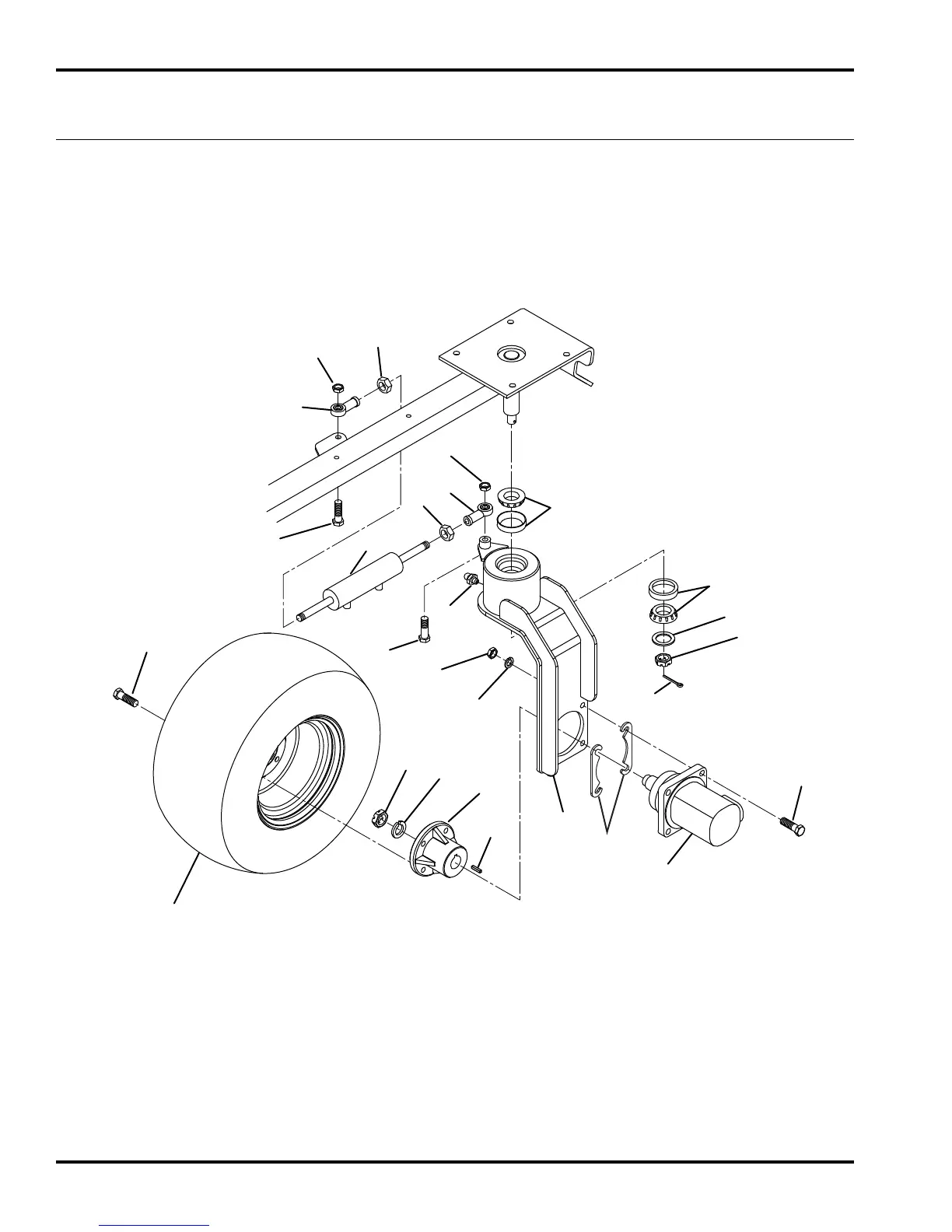
TRI-KING
12.1 Rear Steering
Serial No. All

Table of Contents

Related product manuals