EasyManua.ls Logo

Jacobsen TURFCAT-623D - Pedal Controls

Jacobsen TURFCAT-623D
62 pages
Print Icon
To Next Page IconTo Next Page
To Next Page IconTo Next Page
To Previous Page IconTo Previous Page
To Previous Page IconTo Previous Page
Loading...
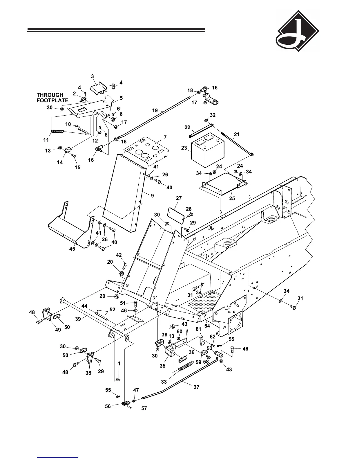
30
600 Series
Turfcat
Tractors
FIGURE 7
PEDAL CONTROLS

Related product manuals