EasyManua.ls Logo

Jade JTRH - Convection Oven Wiring Diagram

Jade JTRH
40 pages
Print Icon
To Next Page IconTo Next Page
To Next Page IconTo Next Page
To Previous Page IconTo Previous Page
To Previous Page IconTo Previous Page
Loading...
SM-32
Jade Range LLC A Middleby Company
Titan
TM
Series Heavy Duty Range
Model Series JTRH, JMRH & JTRHE
REVIEW COPY 7
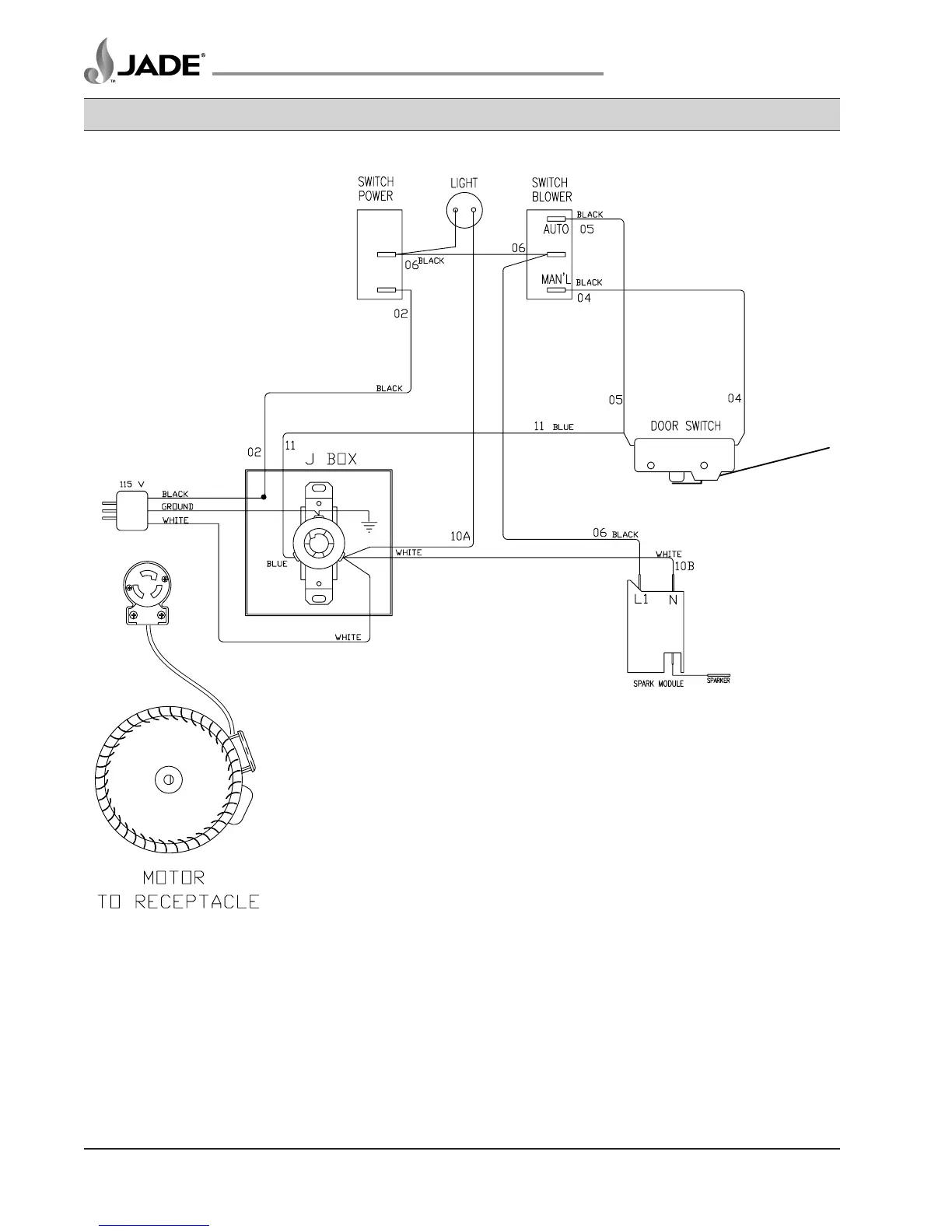
CONVECTION OVEN WIRING DIAGRAM
Figure 38: Convection Oven Wiring Diagram

Table of Contents

Related product manuals