EasyManua.ls Logo

Janome 990D - To Adjust the Feed Dog Height

Janome 990D
49 pages
To Next Page IconTo Next Page
To Next Page IconTo Next Page
To Previous Page IconTo Previous Page
To Previous Page IconTo Previous Page
Loading...
11
990D
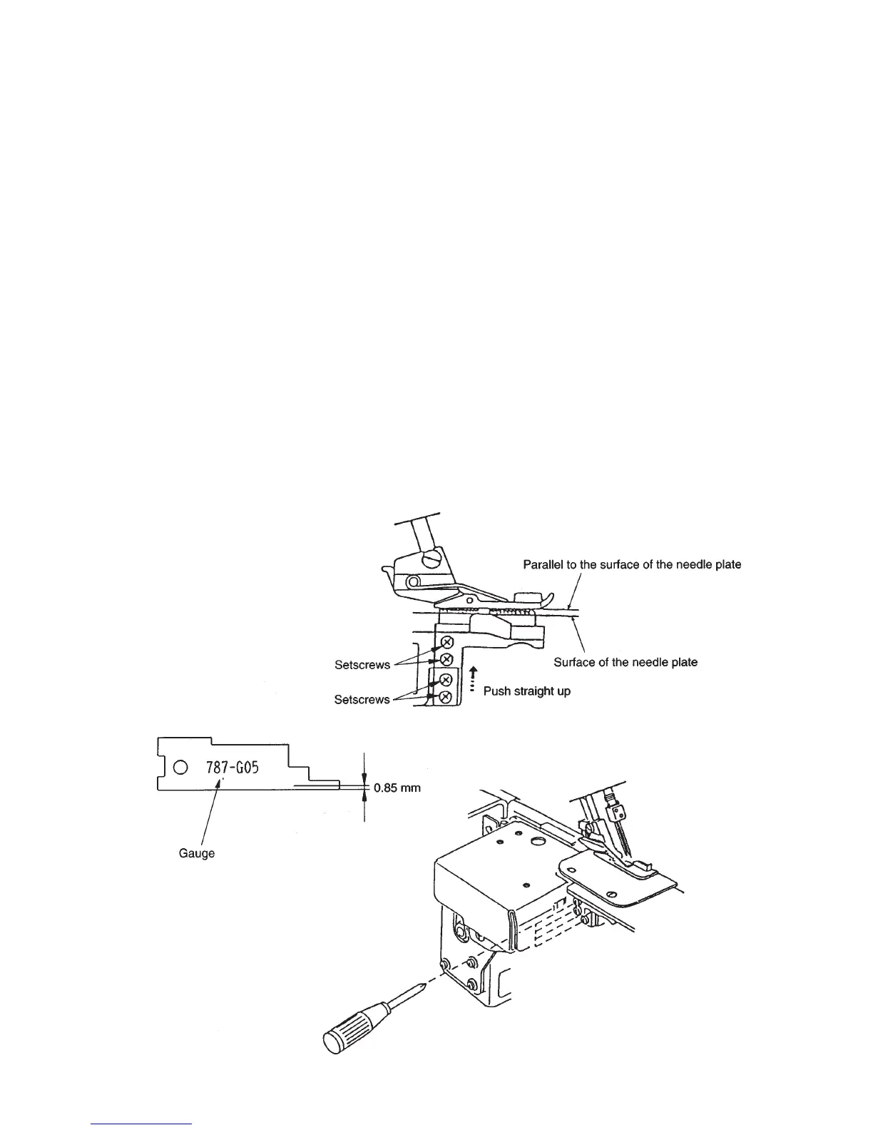
Correct Setting:
When the presser foot is lowered and feed dog is at its highest position, the distance between the
surface of needle plate and bottom of presser foot should be 0.75 to 0.95 mm.
To adjust:
1. Set the stitch length dial at “3” and the differential feed dial at “1.0”.
2. Lower the presser foot and raise the feed dog to its highest position by turning the handwheel.
3. Loosen the feed dog screws A (2 pcs.).
4. Push the feed dog straight upward and adjust the distance between the surface of needle plate
and bottom of presser foot, then tighten the setscrews A (2 pcs.).
5. Check the feed dog height by turning the handwheel toward you.
TO ADJUST THE FEED DOG HEIGHT

Related product manuals