EasyManua.ls Logo

Janome HD 3000 - Replacement of Bh Lever (Unit)

Janome HD 3000
28 pages
To Next Page IconTo Next Page
To Next Page IconTo Next Page
To Previous Page IconTo Previous Page
To Previous Page IconTo Previous Page
Loading...
21
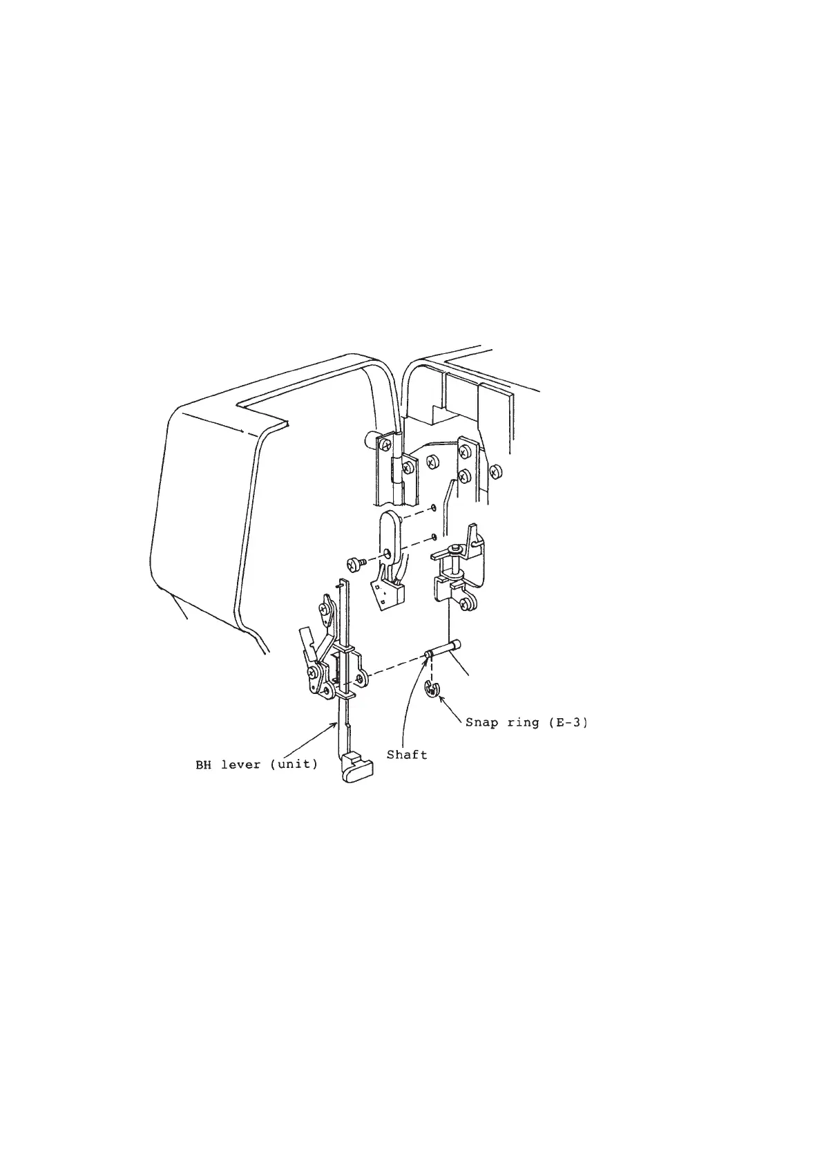
REPLACEMENT OF BH LEVER (UNIT)
For replacement of the BH lever with a new one, take the following procedure.
To remove:
(1) Remove the snap ring (E-3).
(2) Pull out the BH lever (unit) from the shaft.
To attach:
(3) Pass the shaft through a new BH lever (unit) and fasten it with the snap ring.
(Note)
After the above replacement, check the BH function.

Related product manuals