EasyManua.ls Logo

Janome HD 3000 - Adjustment Part;Replacement; Correction of Staggered Straight Stitch

Janome HD 3000
28 pages
Print Icon
To Next Page IconTo Next Page
To Next Page IconTo Next Page
To Previous Page IconTo Previous Page
To Previous Page IconTo Previous Page
Loading...
6
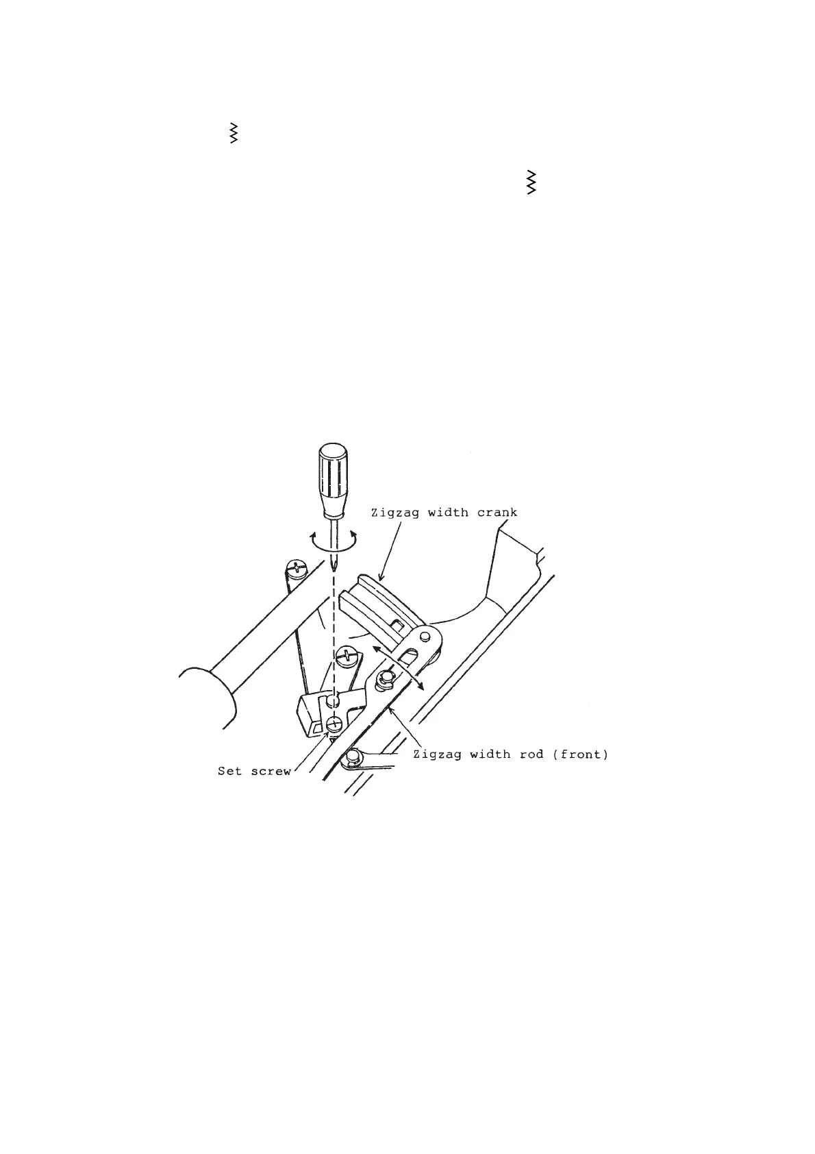
CORRECTION OF STAGGERED STRAIGHT STITCH
If the needle bar moves laterally when the balance wheel is turned toward you with the pattern
selector dial set at “ “and the zigzag width adjusted to “ 0 “ then make adjustment in the
following procedure:
(1) Remove the top cover (unit), set the pattern selector dial at “ “ and adjust the zigzag width
to “0”.
(2) Loosen the set screw.
(3) While turning the balance wheel, move the zigzag width rod (front) until the needle bar
ceases to move laterally. (Pull the zigzag width rod (front) toward you and lightly press it
against the zigzag width crank.)
(4) Completely tighten the set screw, and attach the top cover (unit).
(Note)
For removal and attachment of the top cover (unit), refer to page 2.
It is unnecessary to correct the staggered straight stitch for the straight stitch pattern because
an exclusive cam is used.

Related product manuals