EasyManua.ls Logo

JASON Hydrotherapy Integrity - Whirlpool System Connections; Whirlpool [WP] System Wiring

Default Icon
16 pages
Print Icon
To Next Page IconTo Next Page
To Next Page IconTo Next Page
To Previous Page IconTo Previous Page
To Previous Page IconTo Previous Page
Loading...
Jason International, Inc. · 501.771.4477 Page 14 of 16 Customer Service: 800.255.5766
Copyright © 2021 Jason International, Inc.
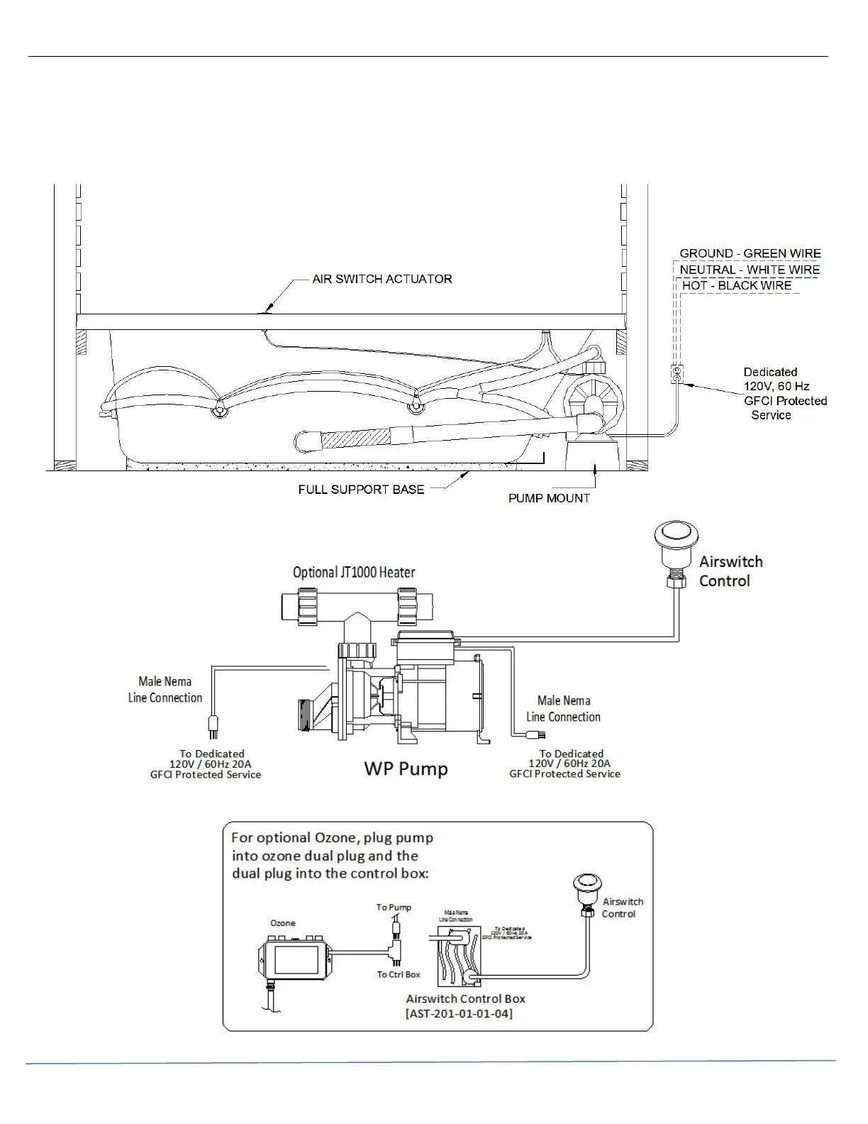
WHIRLPOOL [WP] SYSTEM
This Whirlpool bath is provided with an Air On/Off switch. The tubing should be firmly attached to the bath’s air switch
actuator and the pump air switch connection. A small bead of silicone may be added to the air tubing connections to
help prevent the tubing from disengaging.
INSTALLATION INSTRUCTIONS (cont.)

Related product manuals