EasyManua.ls Logo

JBL 1201.1 - Page 30

JBL 1201.1
32 pages
Print Icon
To Next Page IconTo Next Page
To Next Page IconTo Next Page
To Previous Page IconTo Previous Page
To Previous Page IconTo Previous Page
Loading...
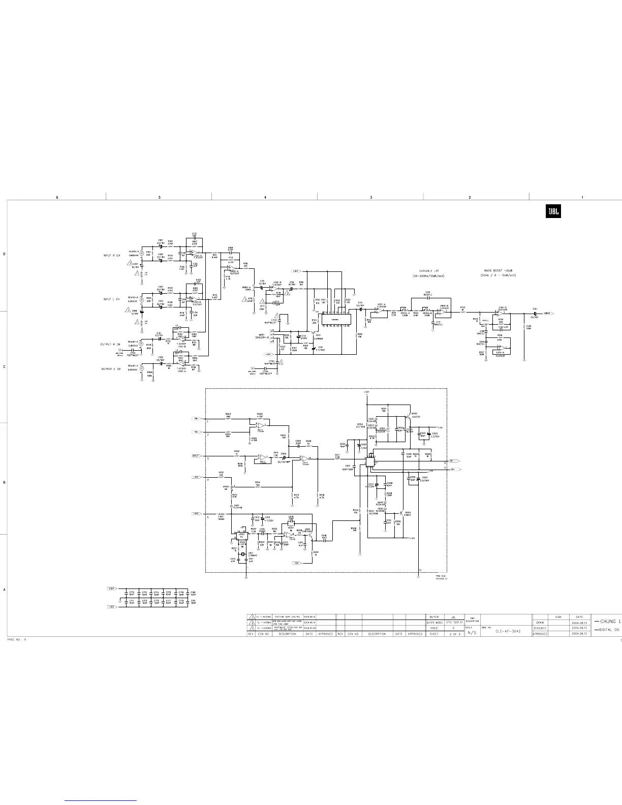
GTO 1201.1II Page2 Schematic
GTO 1201.1II
29

Related product manuals