EasyManua.ls Logo

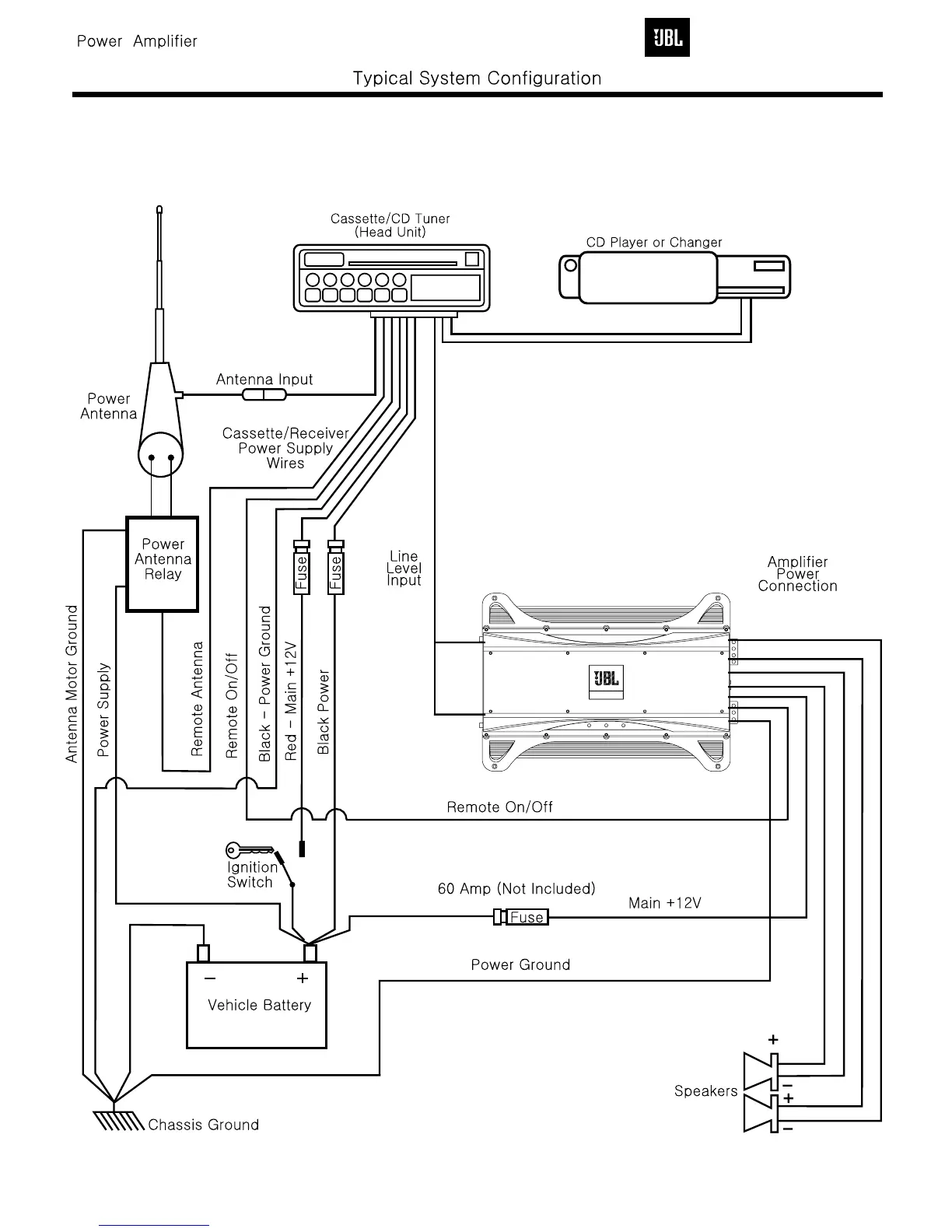
JBL 1201.1 - System Configuration

JBL 1201.1
32 pages
Print Icon
To Next Page IconTo Next Page
To Next Page IconTo Next Page
To Previous Page IconTo Previous Page
To Previous Page IconTo Previous Page
Loading...
Grand TouringGrand Touring
GTO 1201.1/1201.1II

Related product manuals