EasyManua.ls Logo

JBL ES250PW - LM5008 Pin Description; LM5008 Application Circuit

JBL ES250PW
56 pages
Print Icon
To Next Page IconTo Next Page
To Next Page IconTo Next Page
To Previous Page IconTo Previous Page
To Previous Page IconTo Previous Page
Loading...
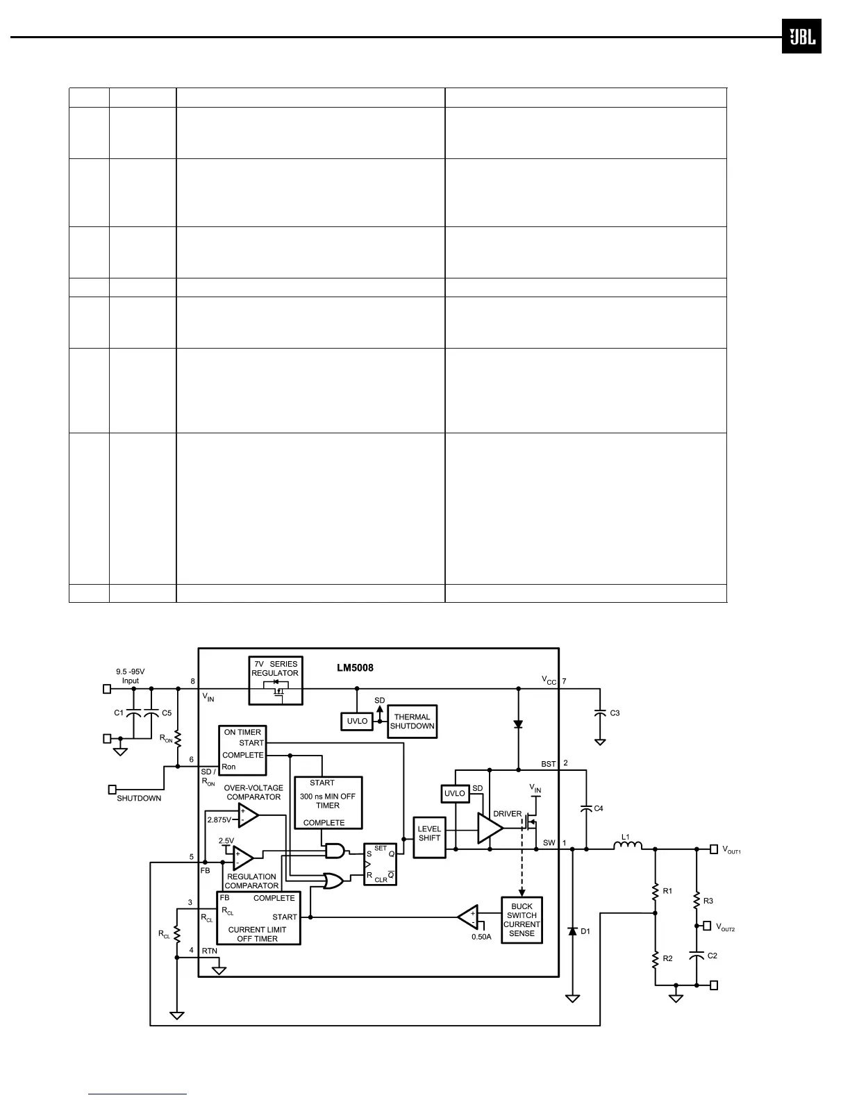
Pin Description
PIN NAME DESCRIPTION APPLICATION INFORMATION
1 SW Switching Node Power switching node. Connect to the output
inductor, re-circulating diode, and bootstrap
capacitor.
2 BST Boost Pin (Bootstrap capacitor input) An external capacitor is required between the BST
and the SW pins. A 0.01µF ceramic capacitor is
recommended. An internal diode charges the
capacitor from V
CC
.
3R
CL
Current Limit OFF time set pin
Toff = 10
-5
/ (0.285 + (FB / 6.35 x 10
−6
xR
CL
))
A resistor between this pin and RTN sets the
off-time when current limit is detected. The off-time
is preset to 35µs if FB = 0V.
4 RTN Ground pin Ground for the entire circuit.
5 FB Feedback input from Regulated Output This pin is connected to the inverting input of the
internal regulation comparator. The regulation
threshold is 2.5V.
6R
ON
/SD On time set pin
Ton = 1.25 x 10
-10
R
ON
/V
IN
A resistor between this pin and V
IN
sets the switch
on time as a function of V
IN
. The minimum
recommended on time is 400ns at the maximum
input voltage. This pin can be used for remote
shutdown.
7V
CC
Output from the internal high voltage series pass
regulator. Regulated at 7.0V.
If an auxiliary voltage is available to raise the
voltage on this pin, above the regulation setpoint
(7V), the internal series pass regulator will
shutdown, reducing the IC power dissipation. Do not
exceed 14V. This voltage provides gate drive power
for the internal Buck switch. An internal diode is
provided between this pin and the BST pin. A local
0.1µF decoupling capacitor is recommended. Series
pass regulator is current limited to 10mA.
8V
IN
Input voltage Recommended operating range: 9.5V to 95V.
LM5008
20097901
F.
LM5008
Typical Application Circuit and Block Diagram
ES250PW
31

Related product manuals