EasyManua.ls Logo

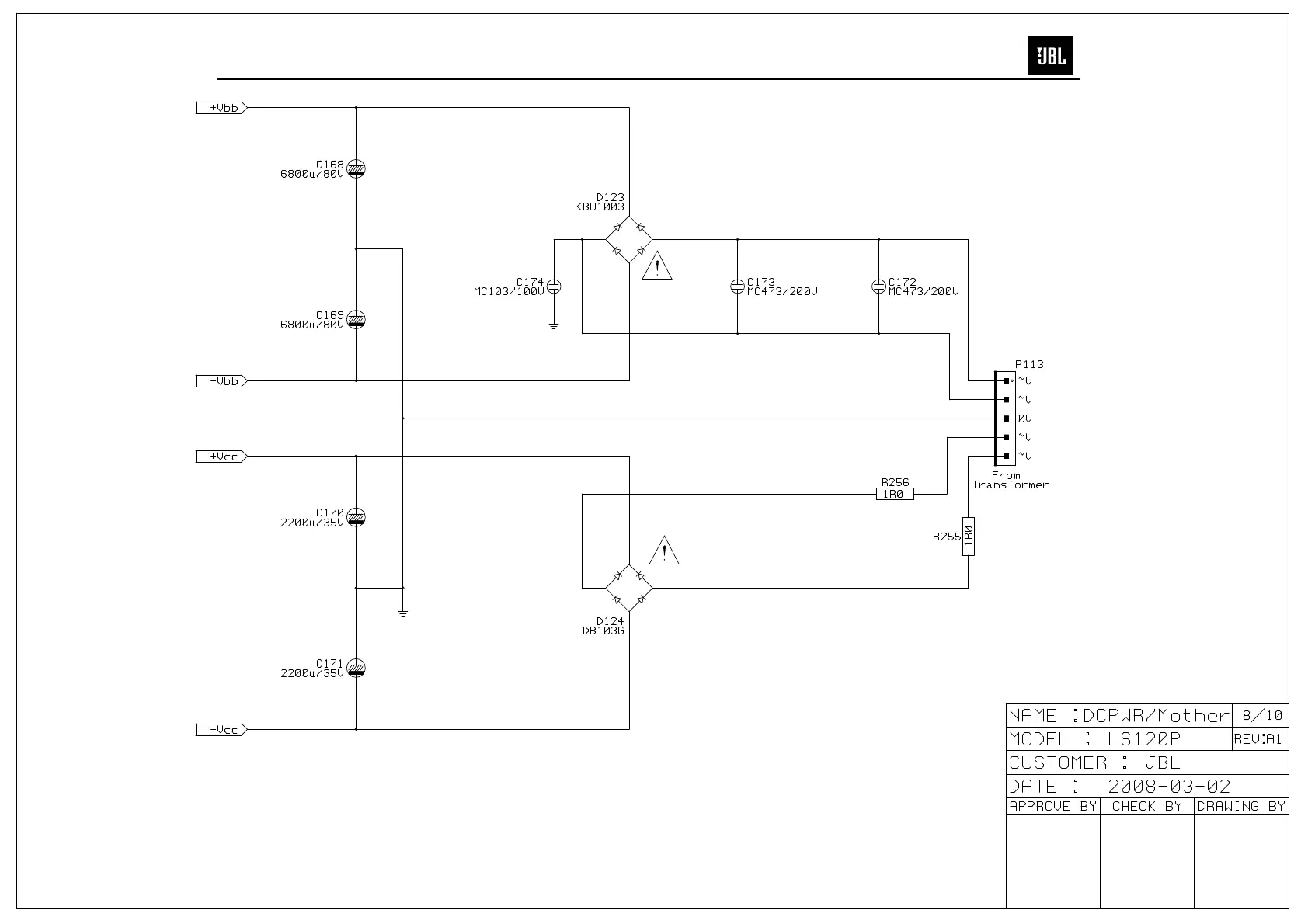
JBL LS Series - Power Supply Schematic

JBL LS Series
33 pages
Print Icon
To Next Page IconTo Next Page
To Next Page IconTo Next Page
To Previous Page IconTo Previous Page
To Previous Page IconTo Previous Page
Loading...
30
LS120P

Other manuals for JBL LS Series

Related product manuals