EasyManua.ls Logo

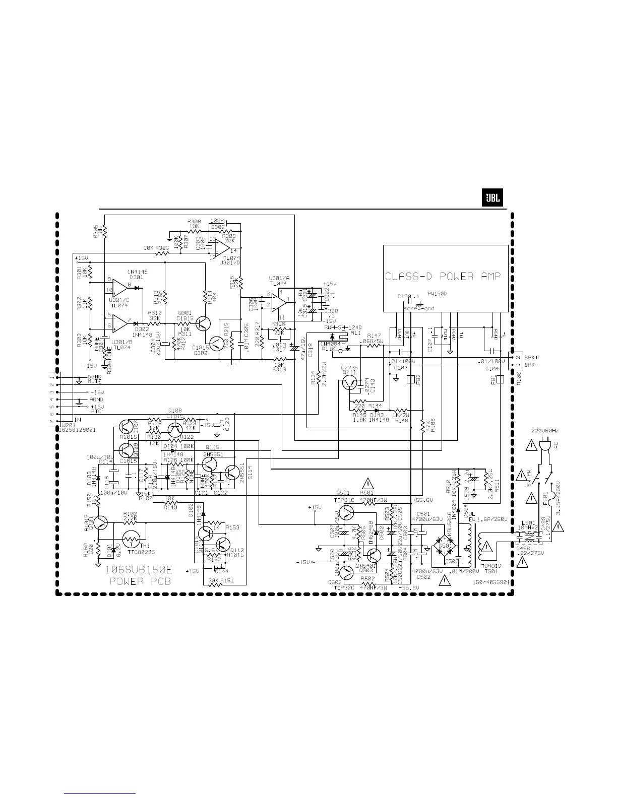
JBL SUB500 - 230 V Schematic Diagram - Part 2

JBL SUB500
24 pages
Print Icon
To Previous Page IconTo Previous Page
To Previous Page IconTo Previous Page
Loading...
230v SCHEMATIC PAGE 2
SUB500 (SCS500.5 Subwoofer)
23

Related product manuals