EasyManua.ls Logo

JBL VMA1120 - Appendix B: Block Diagrams

JBL VMA1120
28 pages
Print Icon
To Next Page IconTo Next Page
To Next Page IconTo Next Page
To Previous Page IconTo Previous Page
To Previous Page IconTo Previous Page
Loading...
24
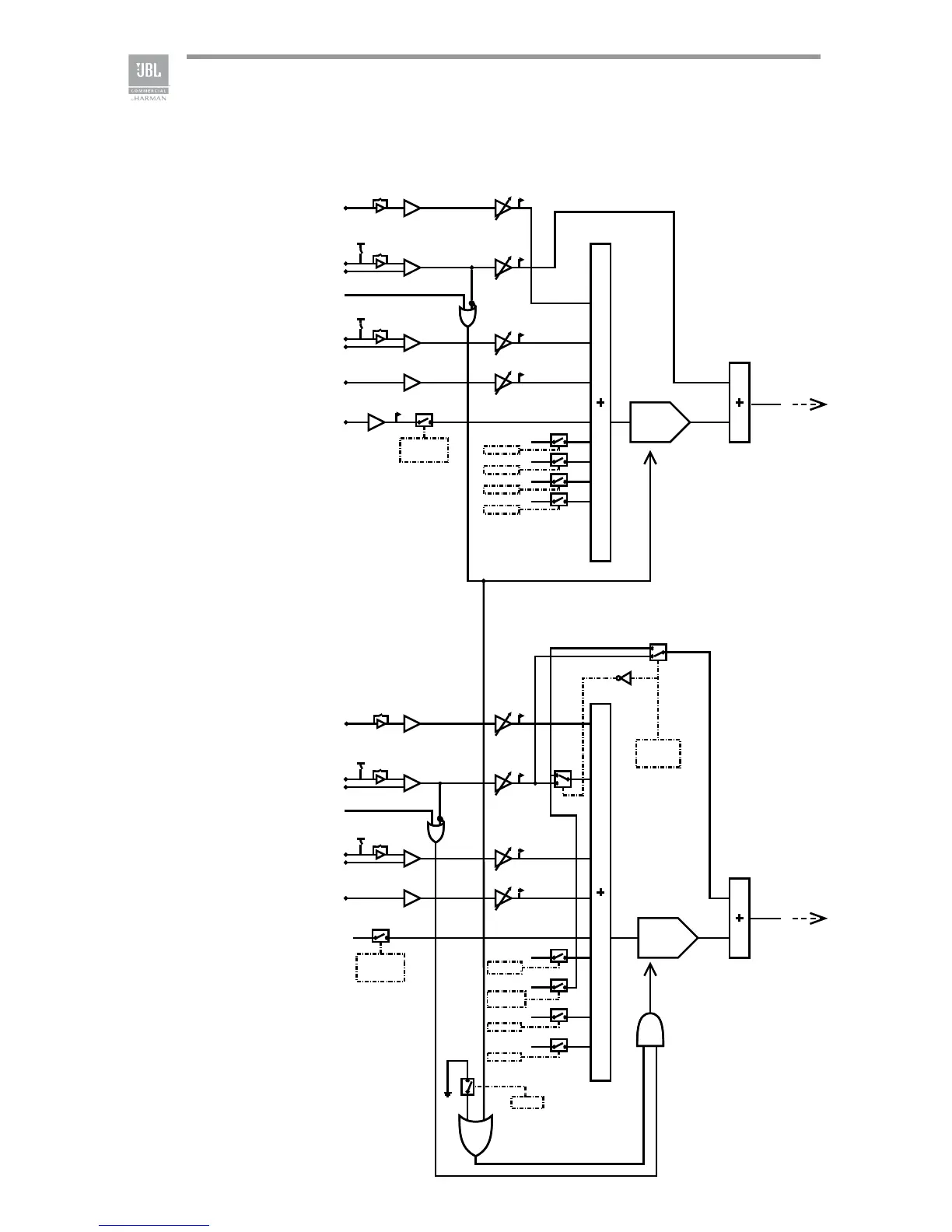
Appendix B: Block Diagrams
VMA260 & VMA2120
+27V
+27V
Input 3 Mic/Line [Bal]
Input 1 Mic/Line
[1/4" Bal]
BT/USB
Summed RCA
1/4" Bal
Input 2 PTT
Input 2 Mic/Line [Bal]
Music 1 Line
[Summed RCA]
+27V
+27V
Input 6 Mic/Line [Bal]
Input 4 Mic/Line
[1/4" bal]
BT/USB
Summed RCA
1/4" Bal
Input 5 PTT
Input 5 Mic/Line [Bal]
Music 2 Line
[Summed RCA]
VOX
VOX
Attenuation
(VOX/PTT)
Attenuation
(VOX/PTT)
Input 4
Input 5
Input 6
Music 2
TO CH2
TO CH2
TO CH2
TO CH2
TO CH1
TO CH1
TO CH1
TO CH1
Control:
- Input 1 to Ch 2
- CH1_PRIORITY
- CH2_PRIORITY
CH1_PRIORITY
CH2_PRIORITY
Input 4 to Ch 1
- Chime CH2 ON/OFF
- BT/USB to CH2
- Input 2 PTT
- Input 5 PTT
Input 1
- Input 1 to Ch 2
Input 2
- Input 2 to Ch 2
- CH1_PRIORITY
Input 3
Input 3 to Ch 2
Music 1
Music 1 to Ch 2
Input 2 to Ch2
*CH2_CTRL_1*
*CH2_BT_SW*
*CH2_CTRL_4*
Control:
- Chime CH2 ON/OFF
- Input 5 PTT
*CH1_BT_SW*
TO CH2
*CH2_CTRL_3*
Input 5 to Ch 1
Input 6 to Ch 1
Music 2 to Ch 1

Related product manuals