EasyManua.ls Logo

JBL VMA1120 - Page 26

JBL VMA1120
28 pages
Print Icon
To Next Page IconTo Next Page
To Next Page IconTo Next Page
To Previous Page IconTo Previous Page
To Previous Page IconTo Previous Page
Loading...
26
VMA160, VMA1120 & VMA1240
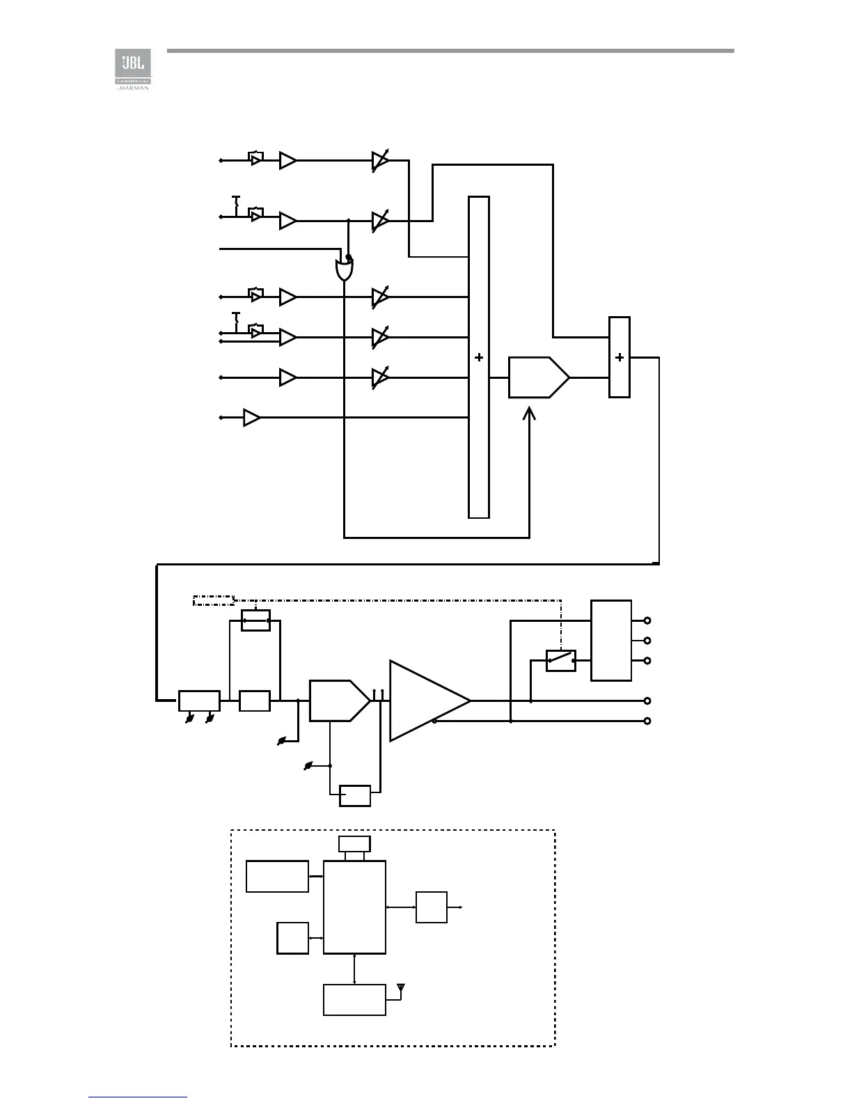
+27V
+27V
Input 4 Mic/Line [Bal]
Input 1 Mic/Line
[1/4" Bal]
BT/USB
Summed RCA
Input 2 PTT
Input 2 Mic/Line [Bal]
Music Line
[Summed RCA]
VOX
Attenuation
(VOX/PTT)
CH1_PRIORITY
VCA
POWER
AMP
HPF
TONE
CONTROL
Hi-Z Switch
Feedback
MASTER VOLUME
REMOTE VOLUME
OUTPUT
TRANSFORMER
100V
70V
COMMON
-
+
SPI CLIP
MCU
SDRAM
DAC
FLASH
BT MODULE
BT/USB
MCU SECTION
CRYSTAL
Input 3 Mic/Line
[1/4" Bal]

Related product manuals