EasyManua.ls Logo

Jedia JMA-600A - Connections; Stereo (2-CHANNEL) Mode Connection

Default Icon
11 pages
Print Icon
To Next Page IconTo Next Page
To Next Page IconTo Next Page
To Previous Page IconTo Previous Page
To Previous Page IconTo Previous Page
Loading...
Ch-B Ch-A
Ch-B
Ch-A/BRIDGED
Ch-B
Ch-B
Ch-A
Ch-B /Ch-A BRIDGED
Ch-A
시스템󰼿연결그림은󰼿일반적인󰼿설치󰼿방법으로󰼿다음사항을󰼿주의󰼿하십시오.
1.󰼿스피커󰼿라인󰼿연결시󰼿앰프의󰼿전원󰼿스위치를󰼿꺼주십시오.
2.󰼿스피커󰼿결선은󰼿결선도를󰼿참고하여󰼿주십시오.
3.󰼿앰프는󰼿2개의󰼿모드(스테레오,󰼿브릿지󰼿모노)로󰼿전환󰼿시킬󰼿수󰼿있으며,󰼿
4.󰼿잘못된󰼿결선은󰼿스피커에󰼿치명적인󰼿손상을󰼿초래합니다.
앰프가󰼿동작󰼿중일때는󰼿전환하지󰼿마십시오.
스테레오󰼿방식
결선󰼿하십시오.
모드󰼿스위치를󰼿스테레오󰼿쪽으로󰼿전환하고󰼿스피커󰼿극성에󰼿주의하여
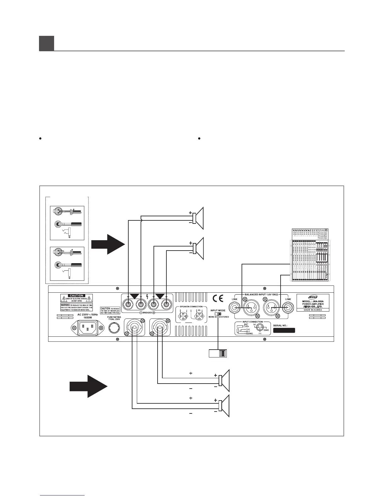
Wiring the following instructions describe the most common
ways to install your amplifier into a sound system.
1. First, turn off power switch befor connection.
2. Refer to wirning diagram for speaker connection.
(stereo, bridge-mono)
3. JMA-Series amplifier maybe operated in one of two modes
4. JEDIA assumes no liability for damaged loads resulting from
careless amplifier use or deliberate over powering.
How to connect stereo(2-CHANNEL) mode
connect the output wiring as shown.
To put the amplifier into stereo mode, first turn the amplifier off,
then slide the stereo-mono switch toward the left, and properly
C
ONNECTIONS
PIN1
PIN1
PIN1
PIN1
CH-A
CH-B
5
METHOD 1
CH-A
CH-B
1
2
3
-
+
INPUT
FROM
SOURCE
SHIELD
+
-
1
2
3
SHIELD
+
INPUT
FROM
SHIELD
+
BALANCED
UNBALANCED
Input Wiring Tips
SHIELD
SOURCE
METHOD 2
BRIDGE MONO
STEREO
CH-A
CH-B
PROFESSIONAL AUDIO MIXER 8.4.4.2
TRIPAC Series or
STAGE PRO MIXER
TRIPAC

Related product manuals