EasyManua.ls Logo

Jensen MPR319 - Wiring Diagram

Jensen MPR319
14 pages
Print Icon
To Next Page IconTo Next Page
To Next Page IconTo Next Page
To Previous Page IconTo Previous Page
To Previous Page IconTo Previous Page
Loading...
3
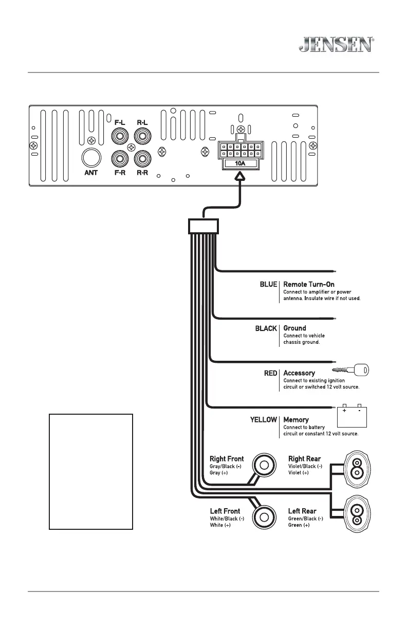
MPR319 INSTALLATION
Wiring Diagram
FUSE
When replacing the
fuse, make sure new
fuse is the correct type
and amperage. Using
an incorrect fuse could
damage the radio.
The unit uses
one 10 amp ATM fuse
located beside
the Heat Sink

Related product manuals