EasyManua.ls Logo

JLA D120 - Page 7

Default Icon
24 pages
Print Icon
To Next Page IconTo Next Page
To Next Page IconTo Next Page
To Previous Page IconTo Previous Page
To Previous Page IconTo Previous Page
Loading...
113375-16 Telephone 01422 822282 7
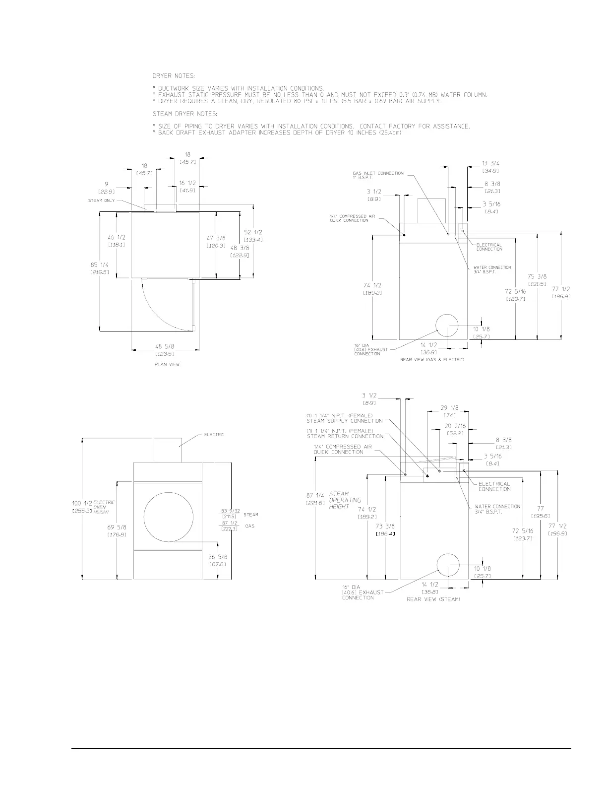
Mechanical Specifications _______________________________________________________
NOTE:
The manufacturer reserves the right to make changes in specifications at any time without notice or obligation.

Related product manuals