EasyManua.ls Logo

Johnson 40-6551 - Page 12

Johnson 40-6551
28 pages
Print Icon
To Next Page IconTo Next Page
To Next Page IconTo Next Page
To Previous Page IconTo Previous Page
To Previous Page IconTo Previous Page
Loading...
12 ©2015 Johnson Level & Tool
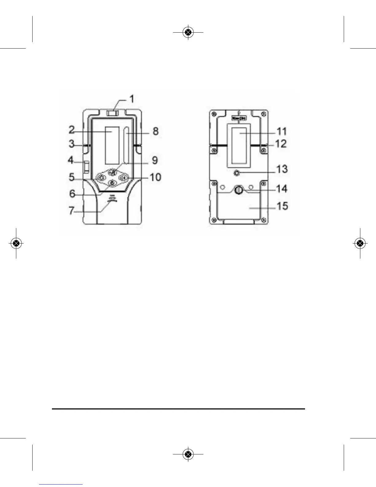
2. Components
(a) Exterior Instruction
1) Horizontal vial
2) Front display window
3) Front on grade mark
4) Vertical vial
5) LED key
6) Power key
7) Beeper
8) Reception window
9) Fine/Coarse accuracy key
10) Beeper key
11) Back display window
12) Back on grade mark
13) Bracket screw thread
14) Battery cover screw
15) Battery cover
8488H-English_Manuals 11/11/14 2:36 PM Page 12

Related product manuals