EasyManua.ls Logo

Johnson MC-J6900 - CHAPTER 5: TROUBLESHOOTING

Johnson MC-J6900
49 pages
Print Icon
To Next Page IconTo Next Page
To Next Page IconTo Next Page
To Previous Page IconTo Previous Page
To Previous Page IconTo Previous Page
Loading...
14
CHAPTER 5:TROUBLESHOOTING
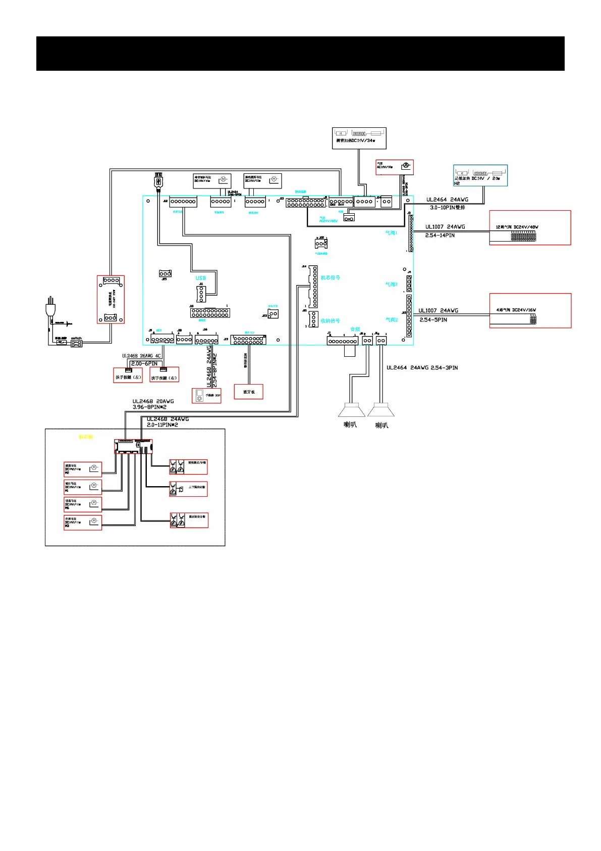
5.1 Wiring Schematic