EasyManua.ls Logo

JP Selecta 4002136 - Schéma Électrique

Default Icon
Print Icon
To Next Page IconTo Next Page
To Next Page IconTo Next Page
To Previous Page IconTo Previous Page
To Previous Page IconTo Previous Page
Loading...
J.P. SELECTA s.a.u.
Ctra. NII Km 585.1 Abrera 08630 (Barcelona) España
e-mail: selecta @jpselecta.es - website: http://www.jpselecta.es
Tel 34 937 700 877 Fax 34 937 702 362
(Sujetas a modificaciones sin previo aviso)
Pag.: 16
1
14
1
C
2
C
10
OPCIONAL
3
C
5
6
9
15
K12
9V
11
20V
K7
7
4
12
8
13
16
9
14
TIERRA
C
14V
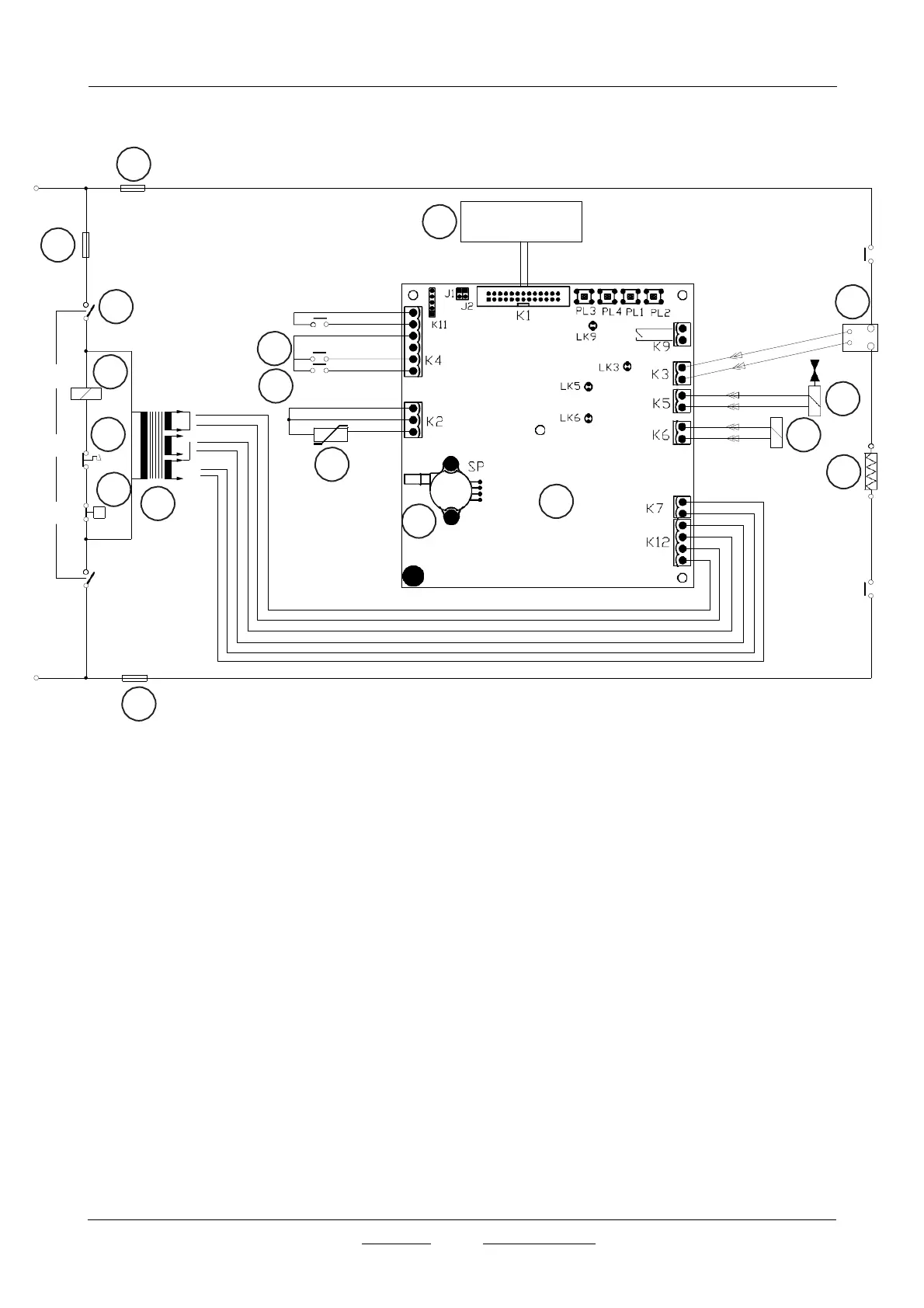
12 Schéma électrique
Pos.
1
1
Description
Fusible main d’œuvre
Code
15411
2
Interrupteur
20096
3
Contacteur (c)
13006
4
Pressostat
16212
5
Micro rupteur porte
20002
6
Micro rupteur vanne
20067
7
Sonde Pt100
43071
8
Transformateur
45076
9
Electrovanne purge
16057
10
Solid relé
36027
11
Electro-aimant blocage
couvercle
16055
12
Resistance
39158/39001
13
Circuit puissance
29360/29361/29362
14
Circuit frontal
29358
15
Thermostat
43031
16
Sonde de pression
-------
17
Fusibles puissance
-------

Related product manuals