EasyManua.ls Logo

JUKI LBH-1702 - Page 108

JUKI LBH-1702
126 pages
Print Icon
To Next Page IconTo Next Page
To Next Page IconTo Next Page
To Previous Page IconTo Previous Page
To Previous Page IconTo Previous Page
Loading...
−108
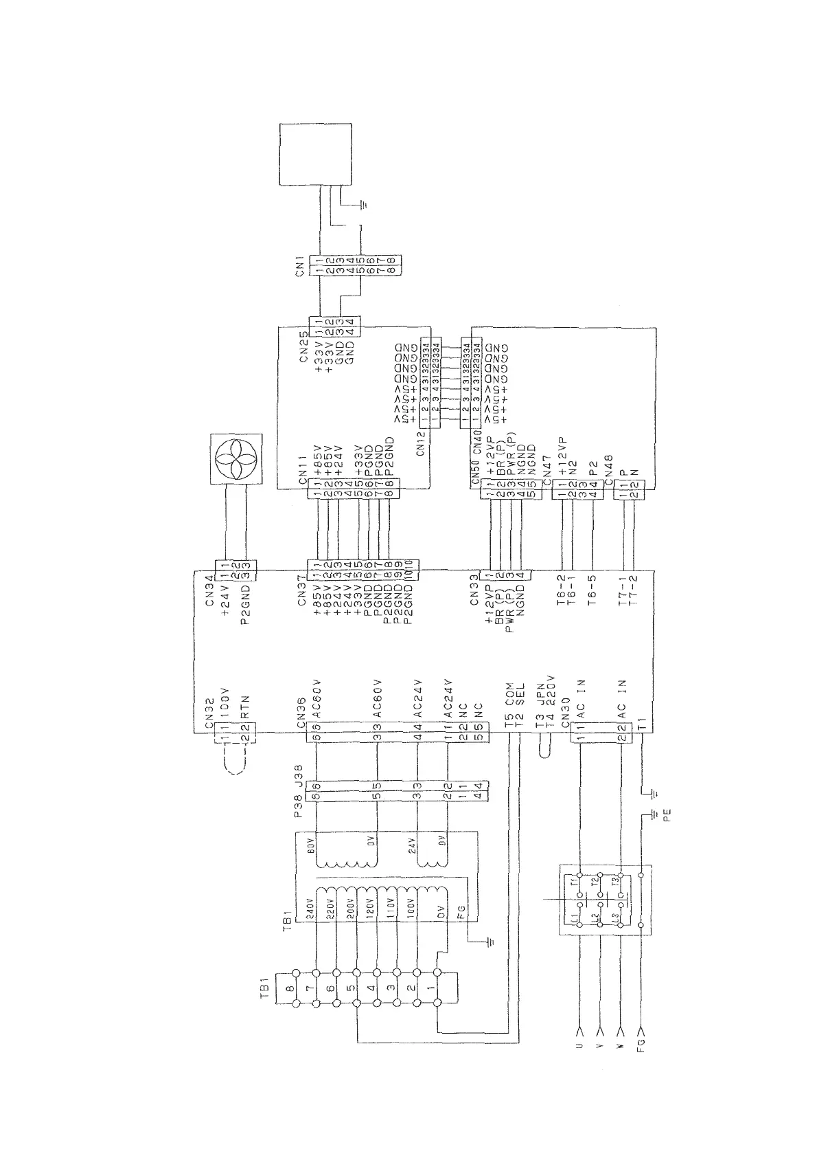
POWER CIRCUIT DIAGRAM 100 to 240V
BROWN
BLACK
GREEN/YELLOW
TRANSFORMER
GRAY
PURPLE
ORANGE
RED
BROWN
BLACK
WHITE
PWR CIRCUIT
BOARD AB ASM.
RED
RED
ORANGE
ORANGE
BLUE
POWER SW
RED
WHITE
BLACK
GREEN
BROWN
LIGHT BLUE
GREEN/
YELLOW
GREEN/
YELLOW
RED
BLACK
WHITE
WHITE
YELLOW
ORANGE
BLACK
BLACK
BLUE
BLACK
BLACK
BLACK
BLACK
BROWN
BLACK
WHITE
WHITE
BLACK
MAIN CIRCUIT
BOARD A ASM.
WHITE
BLACK
BOBBIN
WINDER
SDC CIRCUIT
BOARD A ASM.
WHITE
BLACK

Table of Contents