EasyManua.ls Logo

JUKI LBH-1702 - Page 109

JUKI LBH-1702
126 pages
Print Icon
To Next Page IconTo Next Page
To Next Page IconTo Next Page
To Previous Page IconTo Previous Page
To Previous Page IconTo Previous Page
Loading...
−109
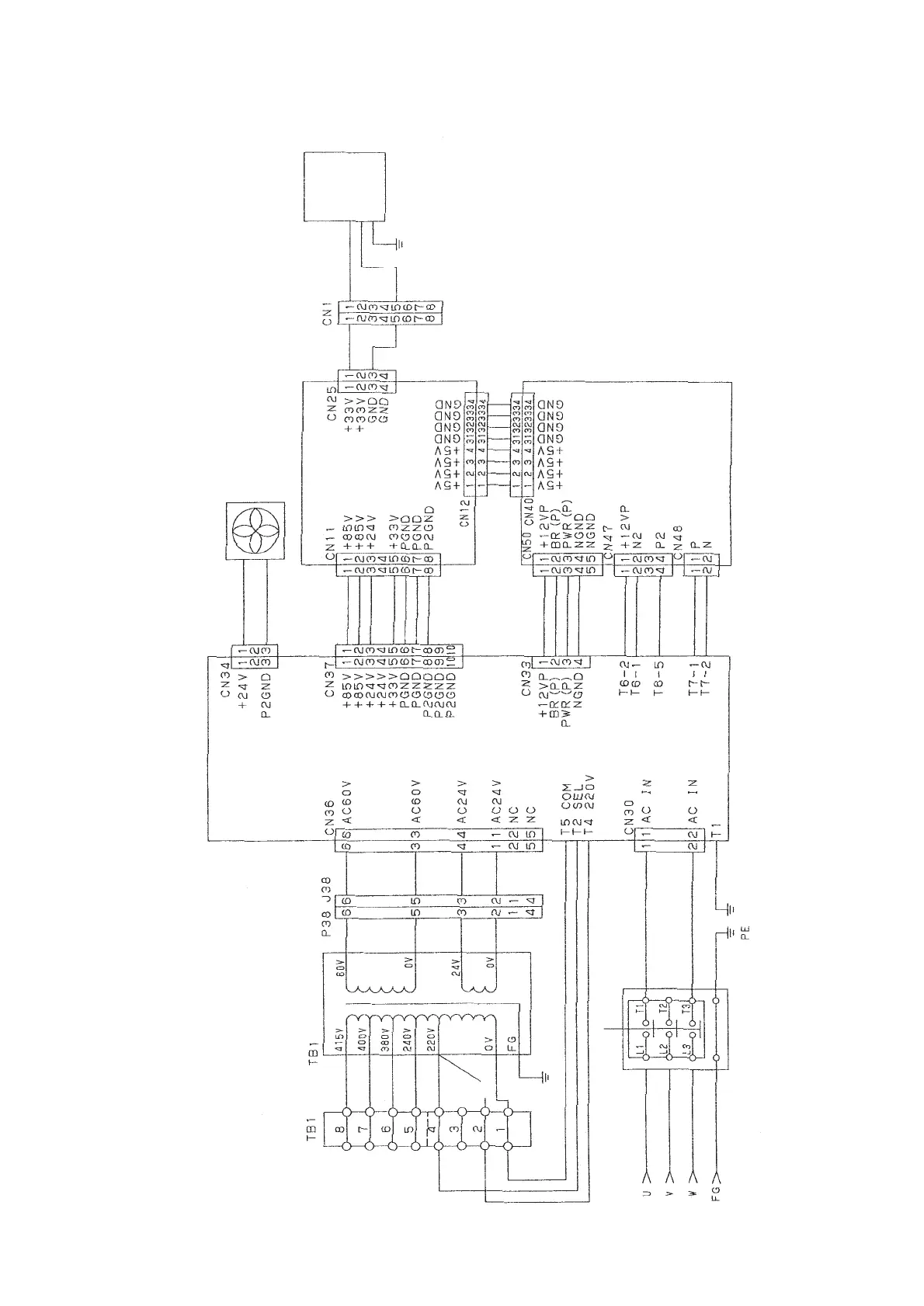
POWER CIRCUIT DIAGRAM 220 to 415V
BROWN
BLUE
BLACK
PURPLE
ORANGE
RED
BROWN
BLACK
BLACK
WHITE
TRANSFORMER
GREEN/
YELLOW
POWER SW
RED
WHITE
BLACK
GREEN
RED
RED
ORANGE
ORANGE
BROWN
BLACK
GREEN/
YELLOW
GREEN/
YELLOW
PWR CIRCUIT
BOARD BB ASM.
RED
BLACK
WHITE
WHITE
YELLOW
ORANGE
BLACK
BLACK
BLUE
BLACK
BLACK
BLACK
BLACK
BROWN
BLACK
WHITE
WHITE
BLACK
MAIN CIRCUIT
BOARD A ASM.
SDC CIRCUIT
BOARD A ASM.
WHITE
BLACK
WHITE
BLACK
BOBBIN
WINDER

Table of Contents