EasyManua.ls Logo

JVC AV-21VS21 - Connecting the Aerial and VCR

JVC AV-21VS21
56 pages
Print Icon
To Next Page IconTo Next Page
To Next Page IconTo Next Page
To Previous Page IconTo Previous Page
To Previous Page IconTo Previous Page
Loading...
3
Preparation
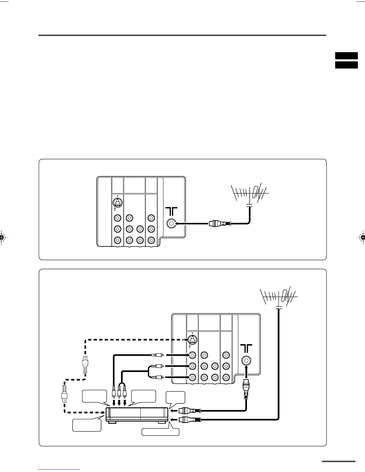
2 Connecting the aerial and VCR
Read the manuals provided with the devices. Depending on the device, the connection method
may be different from the diagrams. Also the device settings may need to change depending on
the connection method.
Turn off all the devices including the TV.
Connecting cables are not supplied.
When connecting monaural audio to the TV, use the L/MONO jack.
You can connect an S-VIDEO compatible device (such as an S-VHS VCR) to the S-connector with
an S-VIDEO cable and enjoy the high quality picture of the S-VIDEO signal (Y/C signal). In that
case, do not connect it to the TV with a video cable.
If you connect the VCR to the TV only with an aerial cable, you should preset the video channel
from the VCR to the AV channel (channel number 0) on this TV. See “MANUAL CH PRESET” on
page 20 and preset it manually.
VHF/UHF outdoor aerial
VIDEO-1
INPUT
OUTPUT
COMPONENT
(
VIDEO-2
)
INPUT
RRRCR
To RF
output
To video
output
To S-video
output
VCR
VHF/UHF outdoor aerial
To aerial input
1
To audio
output
2
3
S
OVER
V
MONO
L
/
V
Y
/
V
L
MONO
L
/
CB
VIDEO-1
INPUT
OUTPUT
COMPONENT
(
VIDEO-2
)
INPUT
RRRCR
S
OVER
V
MONO
L
/
V
Y
/
V
L
MONO
L
/
CB
Connecting the aerial
Connecting the aerial and VCR
GGT0013-2937V1-E9 5/28/03, 6:44 PM3

Table of Contents

Related product manuals