EasyManua.ls Logo

JVC KW-AVX706

JVC KW-AVX706
436 pages
To Next Page IconTo Next Page
To Next Page IconTo Next Page
To Previous Page IconTo Previous Page
To Previous Page IconTo Previous Page
Loading...
6
CAUTION:
Before connecting the external components, make sure that
the unit is turned off.
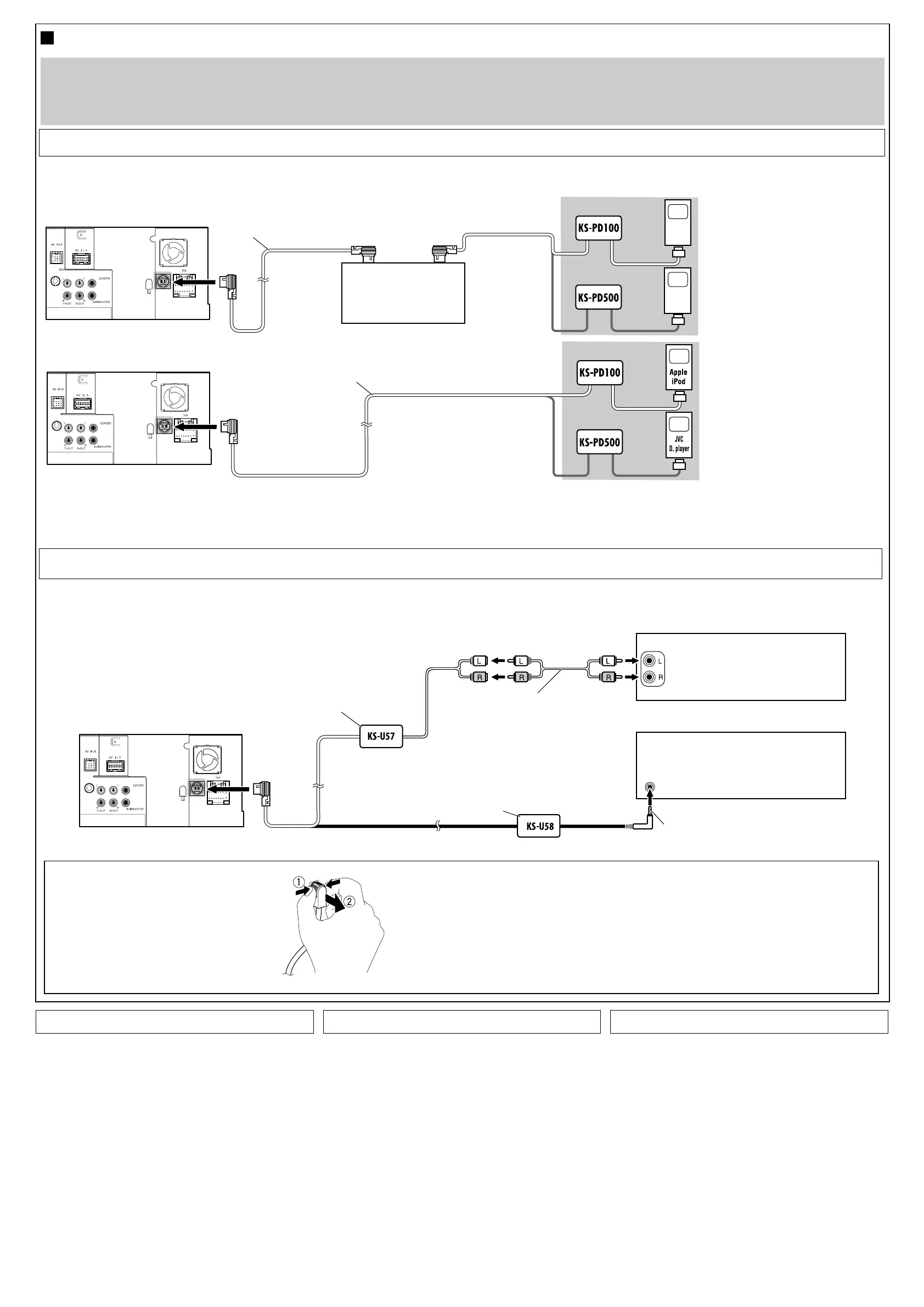
External component
 !
Õÿª°√≥Ï¿“¬πÕ°Õ◊ËπÊ
3.5 mm stereo mini plug
3.5 mm  !"#$
¢—È«‡¬∫¡‘𑇵Õ√‚Õ¢π"¥ 3.5 ¡¡.
External component
 !
Õÿª°√≥Ï¿“¬πÕ°Õ◊ËπÊ
*
5
Connecting cord supplied with your JVC CD changer
*
5
=JVC CD  !"#$%&'
*
5
•ËÕ“¬∑’Ë„ÀÈ¡“”À√í∫ JVC CD ‡™π‡®Õ√Ï
Other external component /  !"# / Õÿª°√≥Ï¿“¬πÕ°Õ◊ËπÊ
Set the external input setting correctly—either “Changer,” “iPod,” or “D. player” (See page 42 of the INSTRUCTIONS.) /  !"#$%&!"'zó“Changer” !"#=“iPod”
“D. player” !"42 !"# / µ—Èß§Ë“√—∫—≠≠“≥Õÿª°√≥Ï¿“¬πÕ°„ÀÈ∂Ÿ°µÈÕßó“Changer” “iPod” À√◊Õ “D. player”ŸÀπÈ“ 42 ¢ÕߢÈÕ·π–π”°“√„™Èß“π)
Select “External Input” for the external input setting (See page 42 of the INSTRUCTIONS.) /= External Input !"#$%& !"#'()*+,42 !"# /
‡≈Õ° “External Input” À“°µÈÕß°“√∑’Ë®–µ—Èß§Ë“√∫≠≠“≥Õÿª°√≥Ï¿“¬πÕ° (¥ŸÀπÈ42 ¢ÕߢÈÕ·π–π”°“√„™Èß“π)
Audio cord (not supplied)
 !"#$%&'
“¬ÕÕ¥‘‚Õ (‰¡Ë‰¥È„ÀÈ¡“æ√ÈÕ¡‡§√◊ËÕß)
TROUBLESHOOTING
The fuse blows.
* Are the red and black leads connected correctly?
Power cannot be turned on.
* Is the yellow lead connected?
No sound from the speakers.
* Is the speaker output lead short-circuited?
Sound is distorted.
* Is the speaker output lead grounded?
* Are the “–” terminals of L and R speakers grounded in
common?
Noise interfere with sounds.
* Is the rear ground terminal connected to the car’s chassis
using shorter and thicker cords?
Unit becomes hot.
* Is the speaker output lead grounded?
* Are the “–” terminals of L and R speakers grounded in
common?
*
5
Apple
iPod
JVC
D. player
*
5
°“√µ√«®Õ∫ª≠À“¢¥¢ÈÕß
ø‘«ú¢“¥
* ¡’°“√‡™◊ËÕ¡¬µ–°—Ë«’¥”·≈–’·¥ßլ˓ß∂Ÿ°µÈÕßÀ√◊Õ‰¡ò
‰¡Ë¡“√∂‡ª‘¥‡§√◊ËÕ߉¥È
* ¡’°“√‡™◊ËÕ¡¬µ–°—Ë«’‡À≈◊ÕßÀ√◊Õ‰¡ò
‰¡Ë¡’‡’¬ßÕÕ°®“°≈”‚æß
* ¬µ–°—Ë«Ë«π∑’ËÕÕ°∑“ß≈”‚æß‡°‘¥‰øøÈ“≈—¥«ß®√À√◊Õ‰¡Ë
‡’¬ß‡æ’Ȭπ
* ¬µ–°—Ë«Ë«π∑’ËÕÕ°∑“ß≈”‚æßµËÕ≈ߥ‘πÀ√◊Õ‰¡Ë
* “¬¢—È«≈∫¢Õß≈”‚æß¥È“π´È“¬ (L) ·≈–¢«“ (R) µËÕ≈ߥ‘πµ“¡ª°µ‘À√◊Õ‰¡Ë
‡’¬ß√∫°«π
* ¡’°“√„™“Ȭ—ÈπÊ À√◊ÕÀπ“Ê µËÕ®“°‡§√◊ËÕßò«π∑’˵‘¥µ—Èß ‰«È∫πæ◊Èπ¥È“πÀ≈—ß°—
∫µ—«∂—ß√∂¬πµÏÀ√◊Õ‰¡Ë
™ÿ¥ª√–°Õ∫√ÈÕπ¢÷Èπ
* “¬µ–°—Ë«0Ë«π∑’ËÕÕ°∑“ß≈”‚æßµËÕ≈ߥ‘πÀ√◊Õ‰¡Ë
* “¬¢—È«≈∫¢Õß≈”‚æß¥È“π´“¬ (L) ·≈–¢«“ (R)
µËÕ≈ߥπµ“¡ª°µÀ√Õ‰¡Ë
 !
 !"#
*  !"#$%&'!"#$%()$*+,\
 !"#$
*  !"#$%&'$(\
 !"#$
*  !"#$%&'()*+,\
 !"
*  !"#$%&'()*\
*  !"#$=(L)=(R)= !"=(–)= !"#\
 !"#
*  !"#$%&'()*+,*-./01\
 !"
*  !"#$%&'()*\
*  !"#$=(L)=(R) !"=(–)= !"#\
W
 !"#$%&'()*+,-./0
¢ÈÕ§«√√–«—:
°ËÕπ®–‡™◊ËÕ¡µËÕ°—∫Õÿª°√≥Ï¿“¬πÕ° °√ÿ≥“µ√«®Õ∫„ÀÈ·πË„®«Ë“ªî¥‡§√◊ËÕßÕ¬ŸË
KS-PD100 (separately purchased)
KS-PD100  !"#
KS-PD100
(·¬°®”ÀπË“¬)
KS-PD500 (separately purchased)
KS-PD500 !"#
KS-PD500
(·¬°®”ÀπË“¬)
KS-PD100 (separately purchased)
KS-PD100 !"#
KS-PD100
(·¬°®”ÀπË“¬)
KS-PD500 (separately purchased)
KS-PD500 !"#
KS-PD500 (·¬°®”ÀπË“¬)
iPod is a trademark of Apple Computer, Inc., registered in the U.S. and other countries.
iPod==Apple Computer, Inc.  !"#$%&'()*+(,-./012
iPod
‡ªìπ‡§√◊ËÕßÀ¡“¬°“√§“¢Õß Apple Computer, Inc. ´÷Ëß®¥∑–‡∫’¬π°“√§“„πª√–‡∑»À√—∞Õ‡¡√‘°“·≈–ª√–‡∑»Õ◊ËπÊ
JVC CD changer
JVC CD
=
JVC CD
‡∫π‡®Õ√
AUX Input Adapter KS-U58 (separately purchased)
AUX= !"=KS-U58 !"#
Õ–·¥ª‡µÕ√Ï√—∫—≠≠“≥ AUX √ÿËπ KS-U58 (·¬°®”ÀπË“¬)
Line Input Adapter KS-U57 (separately purchased)
 !"#$=KS-U57 !"#
Õ·¥ª‡µÕ√Ï “¬≠≠“≥‡¢È“
KS-U57 (·¬°®”ÀπË“¬)
CD changer, Apple iPod
®
, JVC D. player / CD= !Apple iPod
®
==JVC D. player / CD ‡™π‡®Õ√Ï, Apple iPod
®
À√◊Õ‡§√◊ËÕ߇≈Ëπ JVC D.
D
Connecting the external components /  !"#$% / °“√µËÕ‡æ‘Ë¡‡µ‘¡‡¢È“°—∫Õÿª°√≥ÏÕ◊ËπÊ
To disconnect the connector
 !"#$
À“°µÈÕß°“√∂Õ¥Õÿª°√≥ϵËÕ‡™◊ËÕ¡
Hold the connector top tightly (1), then pull it out (2).
 !"#$%1 !"#$%&2
®—∫Õÿª°√≥ϵËÕ‡™◊ËÕ¡¥È“π∫π„ÀÈ·πËπÊ (1)®“°π—Èπ®÷ߥ÷ßÕÕ° (2)
006_4-6 17/2/06, 9:23 AM6

Table of Contents

Other manuals for JVC KW-AVX706

Related product manuals