EasyManua.ls Logo

JVC LT-19DA9 Series - Page 87

JVC LT-19DA9 Series
95 pages
Print Icon
To Next Page IconTo Next Page
To Next Page IconTo Next Page
To Previous Page IconTo Previous Page
To Previous Page IconTo Previous Page
Loading...
(No.YA606<Rev.001>)2-85 2-86(No.YA606<Rev.001>)
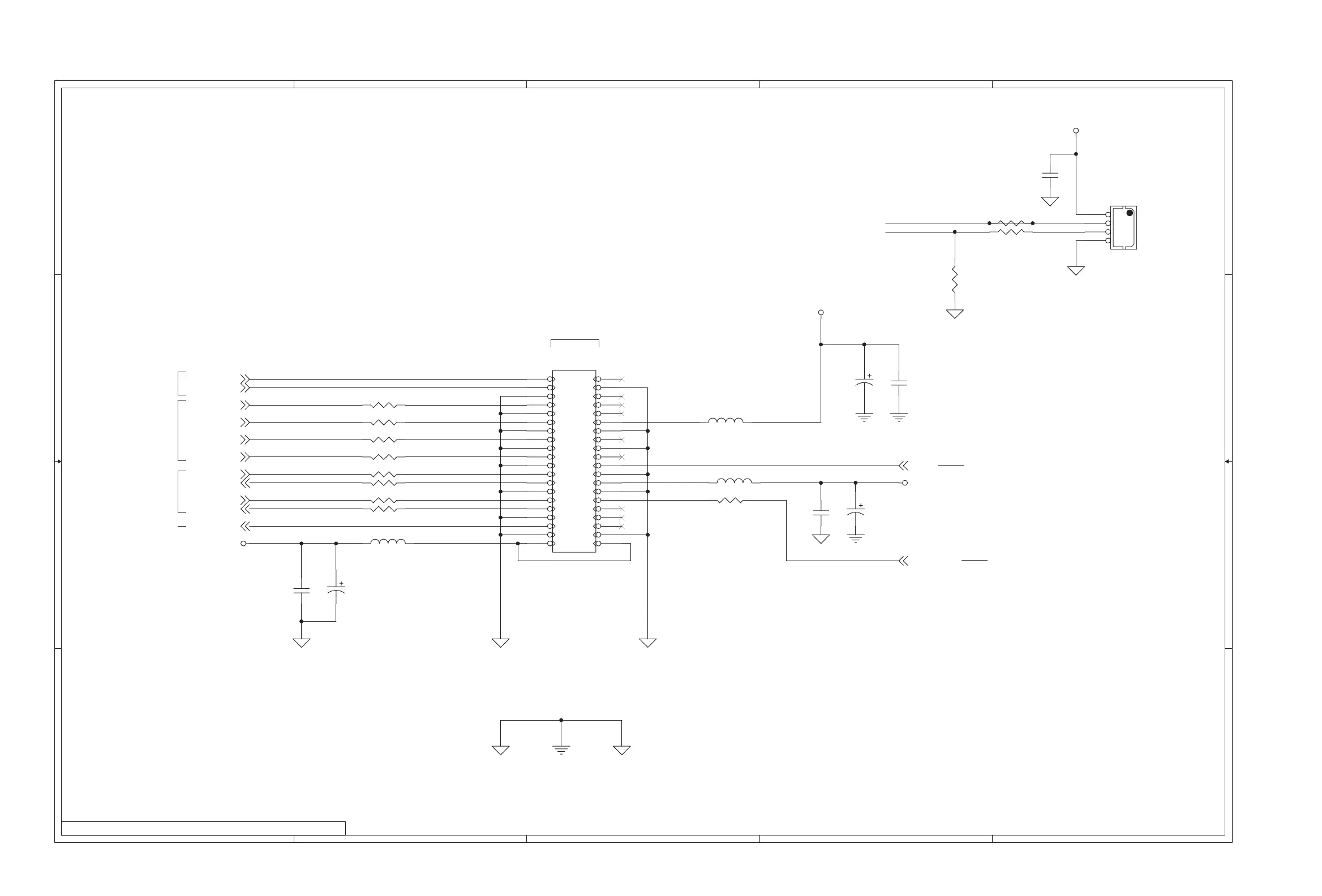
MPEG PWB ASS'Y (18/18)
[Interface Connector]
HU-71200005 [LT-26DA9BJ, LT-26DA9BU]
HU-71200006 [LT-26DB9BD]
lt-19db9bd_mpeg-20_0520_20/21_0.0
5
5
4
4
3
3
2
2
1
1
D D
C C
B B
A A
DGND GND_A GND_D
All locations are from 900 to 999 in this page
MPEG_RXD
MPEG_TXD
MPEG_R
MPEG_CVBS
MPEG_G
MPEG_GPIO
DTT_RESET
SPDIF
MPEG_AUD_L
COMU_RXD
MPEG_B
MPEG_TXD
MPEG_RXD
MPEG_AUD_R
COMU_TXD
+5V
+7V
+12V
+5V
R906 000/1005
R905 000/1005
C906
100uF/25V/BXE/S
L901 HH-1M3216-501JT
R900 000/1005
L900 BLM18PG300SN1D
R908 000/1005
R903 000/1005
R907 000/1005
2mm
JP901
OPEN-53014-0410
4
3
2
1
R909
000/1005
C900
104p/1005
R902 000/1005
L902 HH-1M3216-501JT
C901
104p/1005
R911
332/1005
C903
100uF/25V/BXE/S
R910
222/1005
C905
104p/1005
C902
104p/1005
R901 000/1005
R904 000/1005
C904
100uF/25V/BXE/S
JP900
SMH200-40NND
1
2
3
4
5
6
7
8
9
10
11
12
13
14
15
16
17
18
19
20
21
22
23
24
25
26
27
28
29
30
31
32
33
34
35
36
37
38
39
40
MPEG PWB(9/18)
MPEG PWB(9/18)
MPEG PWB(16/18)
MPEG PWB(13/18)
MPEG PWB(9/18)
MPEG PWB(10/18)
MAIN PWB(19/22)
JP710
MPEG PWB CIRCUIT DIAGRAM (18/18) [Interface Connector]

Other manuals for JVC LT-19DA9 Series

Related product manuals