EasyManua.ls Logo

JVC MX-G50 - Page 36

JVC MX-G50
55 pages
To Next Page IconTo Next Page
To Next Page IconTo Next Page
To Previous Page IconTo Previous Page
To Previous Page IconTo Previous Page
Loading...
MX-G50/MX-G56
1-36
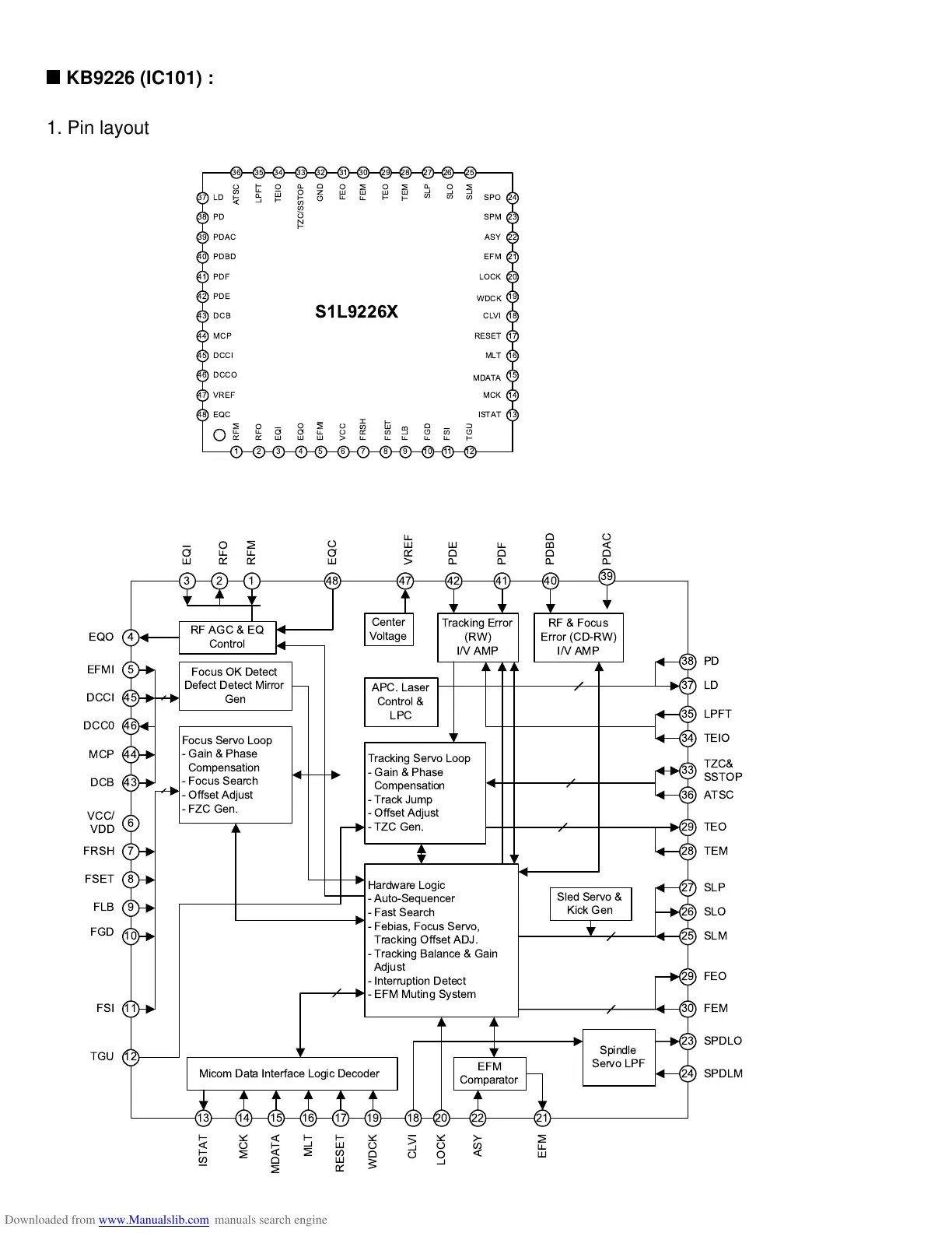
RF AMP & SERVO SIGNAL PROCESSOR
2. BLOCK DIAGRAM
4
12
RF AGC & EQ
Control
Focus OK Detect
Defect Detect Mirror
Gen
Center
Voltage
APC. Laser
Control &
LPC
Tracking Servo Loop
- Gain & Phase
Compensation
- Track Jump
- Offset Adjust
- TZC Gen.
Tracking Error
(RW)
I/V AMP
RF & Focus
Error (CD-RW)
I/V AMP
Hardware Logic
- Auto-Sequencer
- Fast Search
- Febias, Focus Servo,
Tracking Offset ADJ.
- Tracking Balance & Gain
Adjust
- Interruption Detect
- EFM Muting System
Sled Servo &
Kick Gen
Spindle
Servo LPF
EFM
Comparator
Micom Data Interface Logic Decoder
Focus Servo Loop
- Gain & Phase
Compensation
- Focus Search
- Offset Adjust
- FZC Gen.
EQO
PD
LD
LPFT
TEIO
TZC&
SSTOP
ATSC
TEO
TEM
SLP
SLO
SLM
FEO
FEM
SPDLO
SPDLM
EQI
RFO
RFM
EQC
VREF
PDE
PDF
PDBD
PDAC
ISTAT
MCK
MDATA
MLT
RESET
WDCK
CLVI
LOCK
ASY
EFM
5
45
46
44
43
6
7
8
9
10
11
1413 15 16 17 19 18 20 22 21
24
23
30
29
25
26
27
28
29
36
33
34
35
37
38
39
41 40424748123
EFMI
DCCI
DCC0
MCP
DCB
VCC/
VDD
FRSH
FSET
FLB
FGD
FSI
TGU
S1L9226X
TEO
TEM
SLP
SLO
SLM
ISTAT
MCK
MDATA
MLT
RESET
WDCK
CLVI
LOCK
ASY
EFM
SPM
EFMI
VCC
FRSH
FSET
FLB
FGD
FSI
TGU
EQO
EQI
RFO
RFM
PD
LD
37
38
39
40
41
42
43
44
45
46
47
48
24
23
22
21
20
19
18
17
16
15
14
13
1 2 3 4 5 6 7 8 9 10 11 12
36 35 34 33 32 31 30 29 28 27 26 25
SPO
FEM
FEO
GND
TZC/SSTOP
TEIO
LPFT
ATSC
PDAC
PDF
PDBD
PDE
DCB
MCP
DCCI
DCCO
VREF
EQC
KB9226 (IC101) :
1. Pin layout

Other manuals for JVC MX-G50

Related product manuals