EasyManua.ls Logo

JVC MX-G950V - Page 62

JVC MX-G950V
171 pages
Print Icon
To Next Page IconTo Next Page
To Next Page IconTo Next Page
To Previous Page IconTo Previous Page
To Previous Page IconTo Previous Page
Loading...
A B C D E F G
1
2
3
4
5
2-4
MX-G950V/MX-G880V
MX-G850V/MX-G750V
MX-G950V/MX-G880V
MX-G850V/MX-G750V
MAIN SIGNAL
SUB WOOFER SIGNAL
Parts are safety assurance parts.
When replacing those parts make
sure to use the specified one.
C739
CN205
CN215
CN201
CN217
RY1
RY2
CN207
Q737
R248
Q360
IC301
Q361
R360
R361
R364
R367
R366
R365
R368
R362
Q362
Q372
R311
R389
R306
IC304
Q374
Q601
R249
C601 C602
R302
CN710
R309
IC303
IC305
EP201
R384
C373
IC701
C731
D233
R246
R247
C216
R778
R202
D227
D218
C219
Q201
R707
C709
IC602
C706
R715
C705
R792
R786
Q240
C281
R242
D725
Q733
Q736
Q734
Q735
Q726
Q728
Q727
R736
R734
R733
R735
R728
R739
R740
D703 D704
R775
R776
C721
C722
Q713
R761
C730
R762
R680
Q711
D650
R708
C710
R716
D622
Q702
R602
R681
R682
C683
Q680
D726
R281
R220
C606
C605
R675
R676
C621
C622
R608
C610
R284
C280
D280
R616
R640
R639
R607
C609
R615
Q790
R668
Q612
R797
R798
CN705
R619
CN202
CN204
R753
R754
R621
CN703
J81
R741
R742
CN704
CN706
R363
D362
D360
D361
C362
C360
C361
C309
Q373
D619
C310
D314
R617
R620
D620
R623
Q602
R618
C302
D308
C301
CN206
CN216
C308
D313
C307
C311
C312
D315
R385
D369
D370
C374
C372
D316
C623
C624
R216
C253
Q712
D234
R215
C222
C221
C220
C218
C217
C204
C214
C211
C212
C213
C203
C202
C201
C723
R203
R204
R205
D217
C215
C205
D220
D219
C726
C707
R705
C713
C715
R774
R713
R721
R719
R717
D719
Q701
L701
C612
D723
D724
R777
R787
R730
R729
R727
C729
D728
R725
R726
R723
R724
R702
R701
C711
C712
R703
R766
R704
C703 C704
Q710
R217
R768
R706
R601
C708
C714
C716
R714
R769
R722
R720
R718
D720
L702
C611
R674
R218
R603R604
C603
C604
R606
C608
R794
C614C616
R283
R614
R655
D790
R790
L602
C639
R666
R605
C607
C613C615
R613
R653
L601
C790
R667
Q613
R793
R795
R796
Q791
Q792
1/50
QGB2510J1-14
QGB2510K2-14
QGB2510J1-11
QGB2510K2-10
QSK0109-001
QSK0109-001
QGB2510J1-10
KRA111M-T
1
KTC2026/OY/-T
KIA78R05PI
2SC2785/FE/-T
2.2
4.7
1.2K
1.2K
200
200
330
DZ5.1BSB-T2
330
2SC2785/FE/-T
KTA1023
10K
10K
0.33
L7812CP
KRC104M-T
1
0.068
0.068
2.2
QGD2504C1-03Z
0.33( 1/2W)
L7808CP
L7809CP
QNZ0136-001Z
2.7K
0.01
0.022
2A02M-T1
1
100/35
10K
2.2
1N4003S-T5
1N4003S-T5
0.01
2SB740/BC/-T
56K
4.7p
220P
10
220P
1K
10K
2SC2785/FE/-T
47/63
10K
2SC3576-JVC-T
2SC3576-JVC-T
2SC3576-JVC-T
2SC3576-JVC-T
KTC3200/GL/-T
2SC2785/FE/-T
4.7K
4.7K
4.7K
4.7K
10K
820
820
1k
1k
KTC1027/OY/-T
1K
0.022
1K
1M
KTC3200/GL/-T
56K
4.7p
10
DZ9.1BSB-T2
100
3.9K
4.7M
0.082
2SK301/PQ/-T
47
220P
220P
1k
1k
10/35V
10/35V
56K
10P
47K
0.22/50
DZ2.4BSB-T2
10
820
820
56K
10P
10
2SC2785/FE/-T
10k
2SA1175/FE/-T
20K
10
QGA2501C1-02
2.2K
QGB2510J1-10
QGA3901C1-07
0.22
0.22
10K
QGD2504C1-03Z
QNB0107-001
6.8k
6.8k
QGD2504C1-03Z
QGD2504C1-03Z
330
DZ6.8BSC-T2
DZ9.1BSB-T2
22/50
47/16
0.01
STBY
KRA104M-T
KTA1268/GL/-T
10/50
DZ13BSB-T2
220
2.2K
10K
KTA1268/GL/-T
220
10/50
DZ5.6BSC-T2
STBY
QGB2510J1-12
QGB2510K2-12
10/50
DZ8.2BSB-T2
STBY
STBY
10/50
DZ9.1BSB-T2
5.6K
DZ10BSC-T2
DZ11BSC-T2
22/50
22/50
STBY
10/50
10/50
47K
6800/25
KTA1268/GL/-T
2A02M-T
47K
47/50
47/50
47/50
22/50
0.082
0.082
0.082
0.1
0.1
0.1
100/10
7.5K
22K
100K
1N4003S-T5
DZ9.1BSB-T2
DZ33BSC-T2
10/25
47/63
820
0.047
0.047
10
10
10K
5.6K
1K
KTA1268/GL/-T
0.45
47/50
DZ36BSA-T2
DZ36BSA-T2
10K
10K
KTA1268/GL/-T
10K
100K
100K
47/16
82K
100K
DZ15BSC-T2
DZ15BSC-T2
6.8k
6.8k
47
47
0.1
0.1
56k
33k
56k
470p
470p
2SA965/OY/-T
27K
100K
820
100
47/63
0.0470.047
10
2.2K
10K
5.6K
1K
KTA1268/GL/-T
0.45
47/50
10
27K
56k
56k
220p
220p
47/63
10k
0.047
0.047
15K
10
0.22
1SS119-041-T2
10k
0.45
0.1
33k
47/63
0.047
0.047
10
0.22
0.45
47/25
10k
KRC102M-T
100K
10k
6.8K
2SC2785/FE/-T
KTC3203/OY/-T
5.6V
MAINL
MAINL
MAINR
SWL
PRT
9V
8V
SWFB
SURR.CTRL
PRT
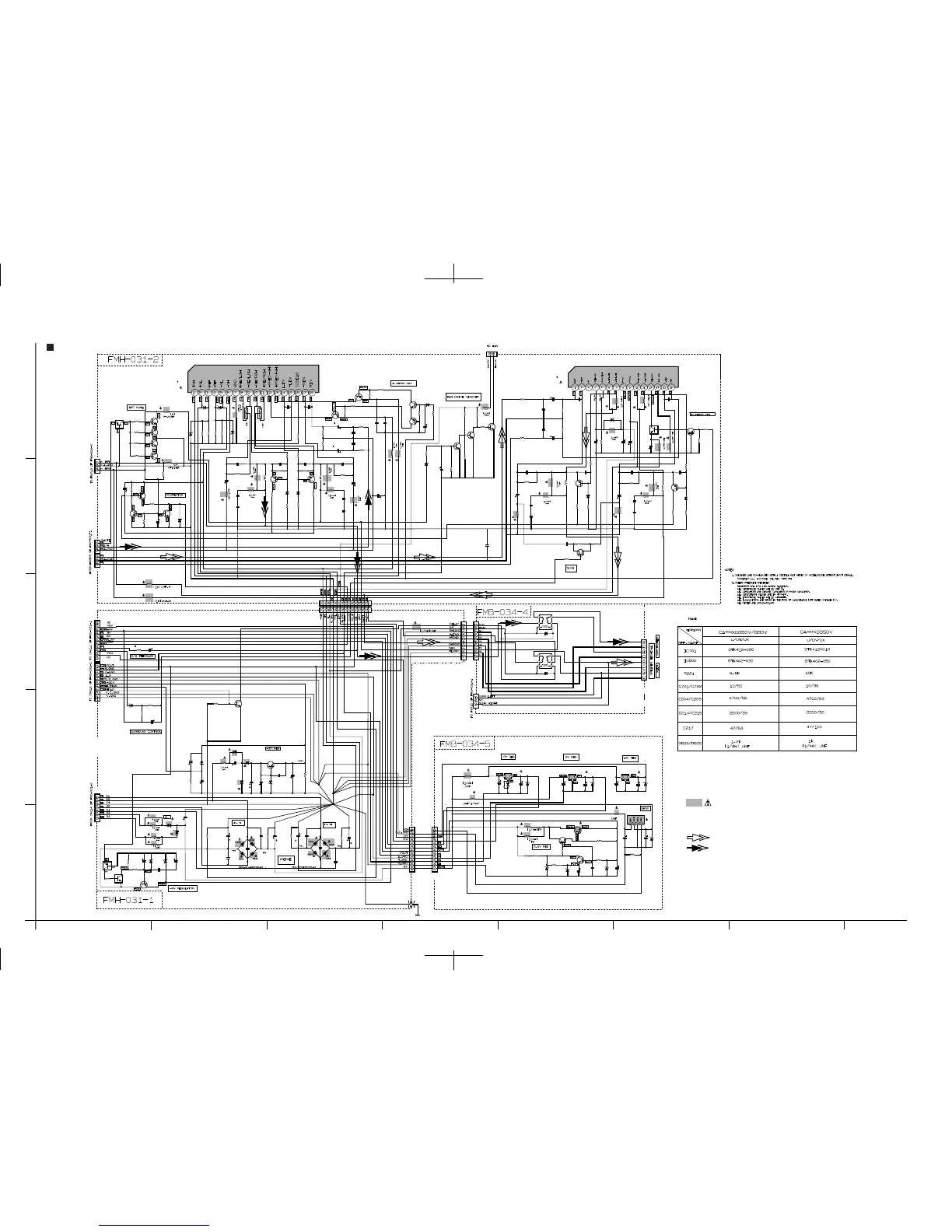
DC regulators / Audio output section (for MX-G850V, G880V, G950V)

Table of Contents

Related product manuals