EasyManua.ls Logo

JVC SR-VS30U - Main (Audio I;O) Schematic

JVC SR-VS30U
136 pages
Print Icon
To Next Page IconTo Next Page
To Next Page IconTo Next Page
To Previous Page IconTo Previous Page
To Previous Page IconTo Previous Page
Loading...
4-15 4-16
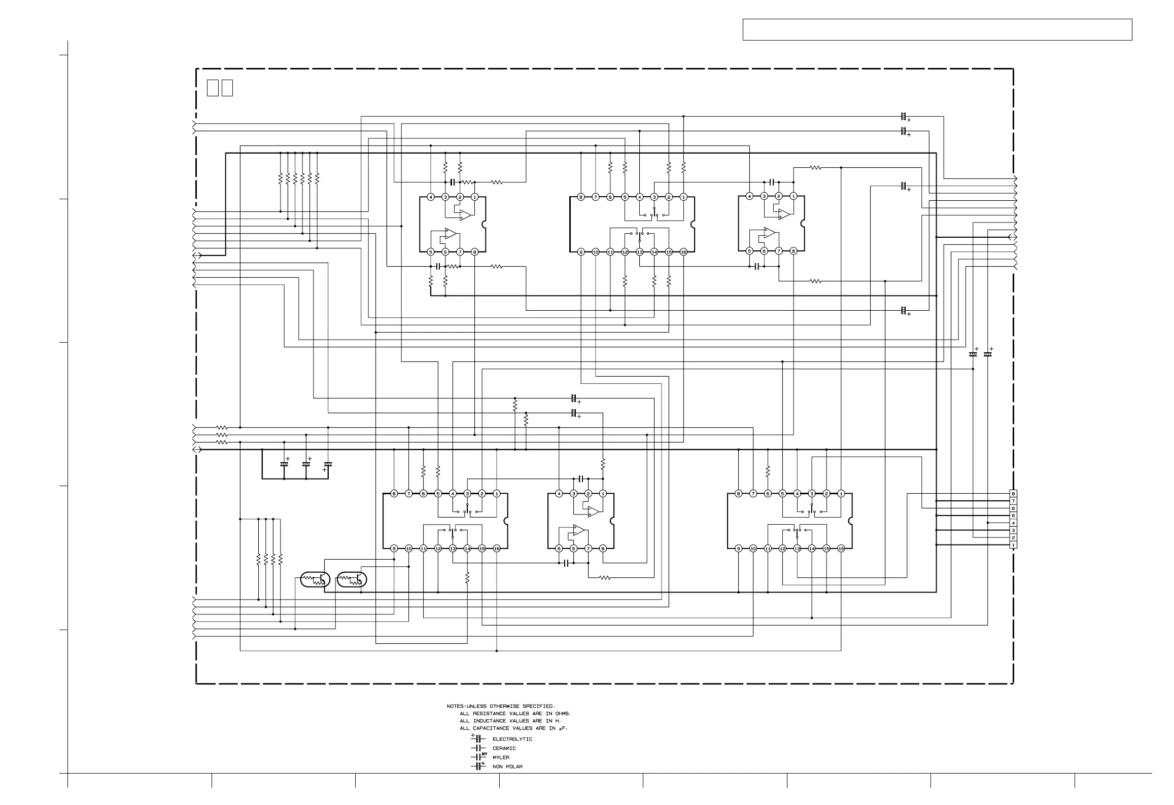
4.7 MAIN (AUDIO I/O) SCHEMATIC DIAGRAM
HGFEDCBA
4
5
3
2
1
The Parts Number
,
value and rated voltage etc. in the Schematic Diagram are for references only.
When replacing the parts
,
refer to the Parts List.
Note :
p20251001a_rev0
AMP_DEMOD[L]
AMP_DEMOD[R]
R2626
R2627
A.IN1[R]
A.IN1[L]
DEC_OUT[R]
DEC_OUT[L]
A.SEL_IN[R]
A.SEL_IN[L]
IC2601 IC2603
IC2606
R2634
IC2605
IC2604
R2615
R2625
R2624
OUTSEL_B
R2618R2617
C2611 C2612
R2613
R2616
R2614
R2619 R2620 R2621
R2610
R2609
R2611
AL5.8V
R2612
R2607
FMA_OUT[R]
FMA_OUT[L]
C2613
R2635
R2636
R2637
R2638
C2607
C2608
C2609 C2610
R2601
R2604
R2602
R2605
OUTSEL_A
R2603
R2606
R2631
R2630
F.AUDIO[R]
F.AUDIO[L]
R2608
R2622
R2623
C2603
C2604
C2601
C2602
C2606
C2605
A.IN1[R]
A.MUTE[H]
CN2601
GND
R2632
R2633
C2614
DEMOD[R]
DEMOD[L]
A.IN1[L]
A.IN2[R]
A.IN2[L]
C2615
DV_A.PB[R]
GND
LINE_OUT[R]
LINE_OUT[L]
DEC_OUT[R]
DEC_OUT[L]
VHS_DUB[H]
INSEL_B
DV_A.PB[L]
R2628
R2629
C2616
C2617
Q2601 Q2602
GND
AL12V
AUDIO[-]
INSEL_A
IC2602
220
1k 1k
1k
220
220
10 10
100
100
1k
1k
3.3k
3.3k
12k
10
47k
47k
47k
47k
10
10
10 10
68k
15k
68k
1M
15k
1M
10k
10k
12k
100
100
100p
100p
100p
100p
10
10
100
100
100p
100p
10
10
VCC
VEE
BA15218F
VCC
VEE
BA15218F
X2X1X0X3 VDD
Y0Y2Y3Y1INHVEEVSS
BU4052BCF
VCC
VEE
BA15218F
X2X1X0X3 VDD
Y0Y2Y3Y1INHVEEVSS
BU4052BCF
SHORTSHORT
/25 /25
SHORT
SHORT SHORT SHORT
/25
/25
/25
/25 /25
/25
/25
DV_A_REC[L]
DV_A_REC[R]
DV_A_PB[L]
DV_A_PB[R]
GND
GND
GND
GND
SHORT
SHORT
/25
/25
DTC114EUA DTC114EUA
X2X1X0X3 VDD
Y0Y2Y3Y1INHVEEVSS
BU4052BCF
BA X
Y
BA X
Y
BA X
Y
TO
CONNECTION
TUNERTO
03
TO
TO
TO
MAIN (AUDIO I/O)
011110
11 0 10 1
10 11 1 0
110
VIDEO/AUDIO
SYSCON
011
011110
11 0 10 1
CONNECTION
TO
DV AUDIO AD/DA

Table of Contents

Other manuals for JVC SR-VS30U

Related product manuals