EasyManua.ls Logo

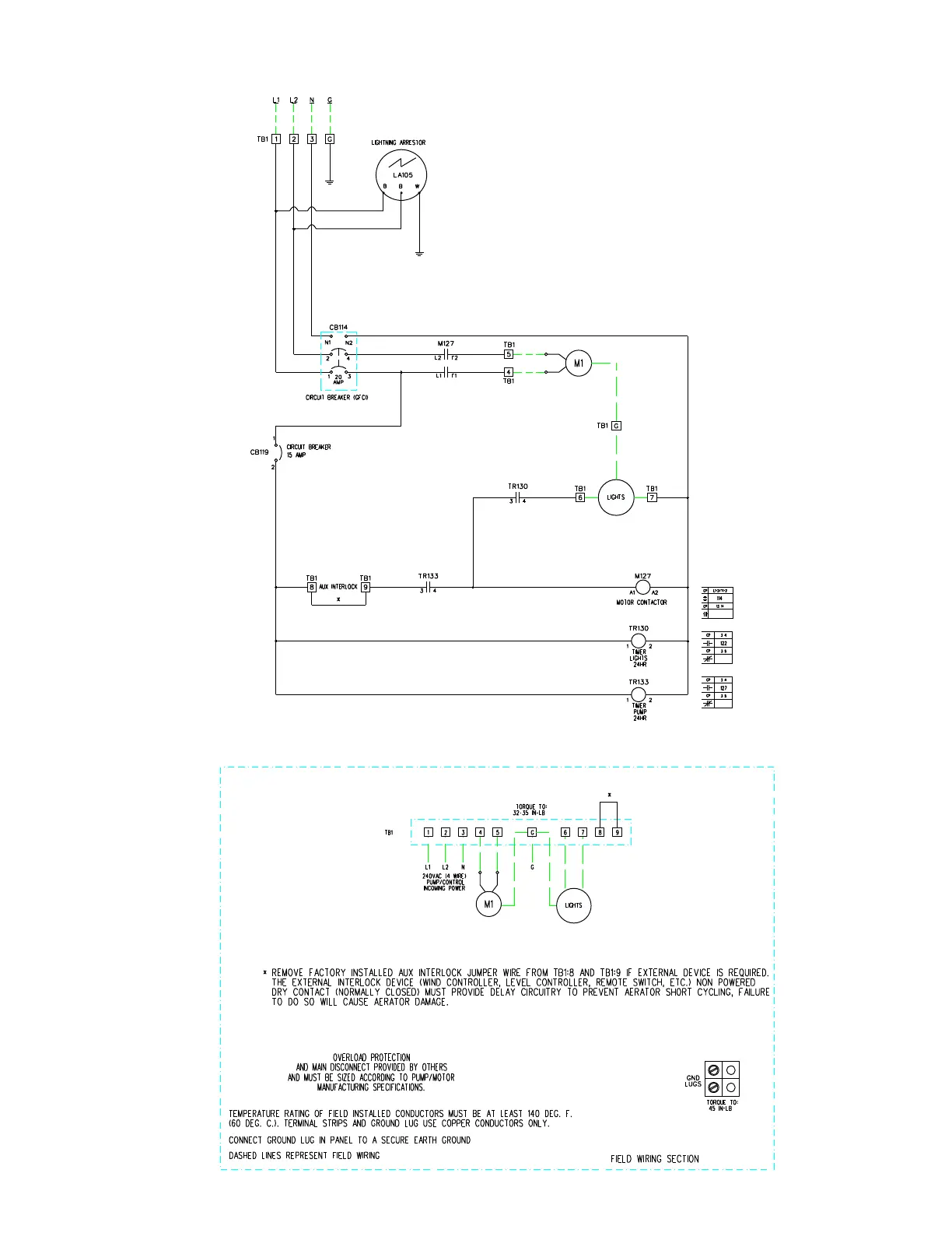
Kasco 3400JF - C85 Non-Metallic Wiring Diagram

Default Icon
24 pages
Print Icon
To Next Page IconTo Next Page
To Next Page IconTo Next Page
To Previous Page IconTo Previous Page
To Previous Page IconTo Previous Page
Loading...
14
C85 non-metallic Wiring Diagram