EasyManua.ls Logo

KE2 Efficiency - Page 10

KE2 Efficiency
20 pages
Print Icon
To Next Page IconTo Next Page
To Next Page IconTo Next Page
To Previous Page IconTo Previous Page
To Previous Page IconTo Previous Page
Loading...
Q.1.3 July 2015
Page 10
KE2 EvaporatorEfciency
Quick Start Guide
© Copyright 2015 KE2 Therm Solutions, Inc., Washington, Missouri 63090
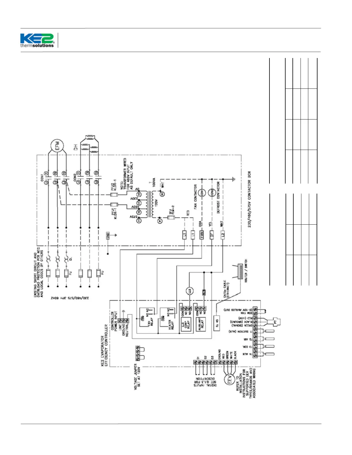
Evaporator Fan Motors
Con1 Max HP & Amp Ratings (Total All Fans)
Voltage Max HP Max AMPS
230 3Ø 15 42
460 3Ø 30 40
575 3Ø 30 32
Wiring Schematic - Controller with KE2 Contactor Box
Existing Defrost Heaters Max Current Ratings
(Amps are Total All Heaters)
Relay Box P/N 230V 3Ø 460V 3Ø 575V 3Ø
20217 54 Amps 52 Amps 52 Amps
20218 68 Amps 65 Amps 62 Amps
20219 80 Amps 77 Amps 62 Amps
Legend
EFM - Evaporator Fan Motor
DH - Defrost Header
LLS - Liquid Line Solenoid
AUX - Auxiliary
PT - Pressure Transducer
T1 SUCTION - Suction Temperature
T2 AIR - Return Air Temperature
T3 COIL - Evaporator Coil Temperature
T4 AUX - Auxiliary Temperature
EEV - Electric Expansion Valve
ECM - Electronically Commutated Motor
D1 - Digital Input 1
D2 - Digital Input 2
D3 - Digital Input 3
- - - By others
All eld wiring must conform to
local codes
Contactor ratings per UL508 CSA 22.2
Wiring Schematic - Controller with KE2 Contactor Box
P/N: 20217 - 50A
20218 - 65A
20219 - 80A

Related product manuals