EasyManua.ls Logo

Keithley 2601A - Low-Current Measurement Programming Example

Keithley 2601A
94 pages
Print Icon
To Next Page IconTo Next Page
To Next Page IconTo Next Page
To Previous Page IconTo Previous Page
To Previous Page IconTo Previous Page
Loading...
A-10 Return to Section Topics 2600AS-900-01 Rev. B / September 2008
Appendix A: Frequently Asked Questions Series 2600A System SourceMeter
®
Instruments User’s Manual
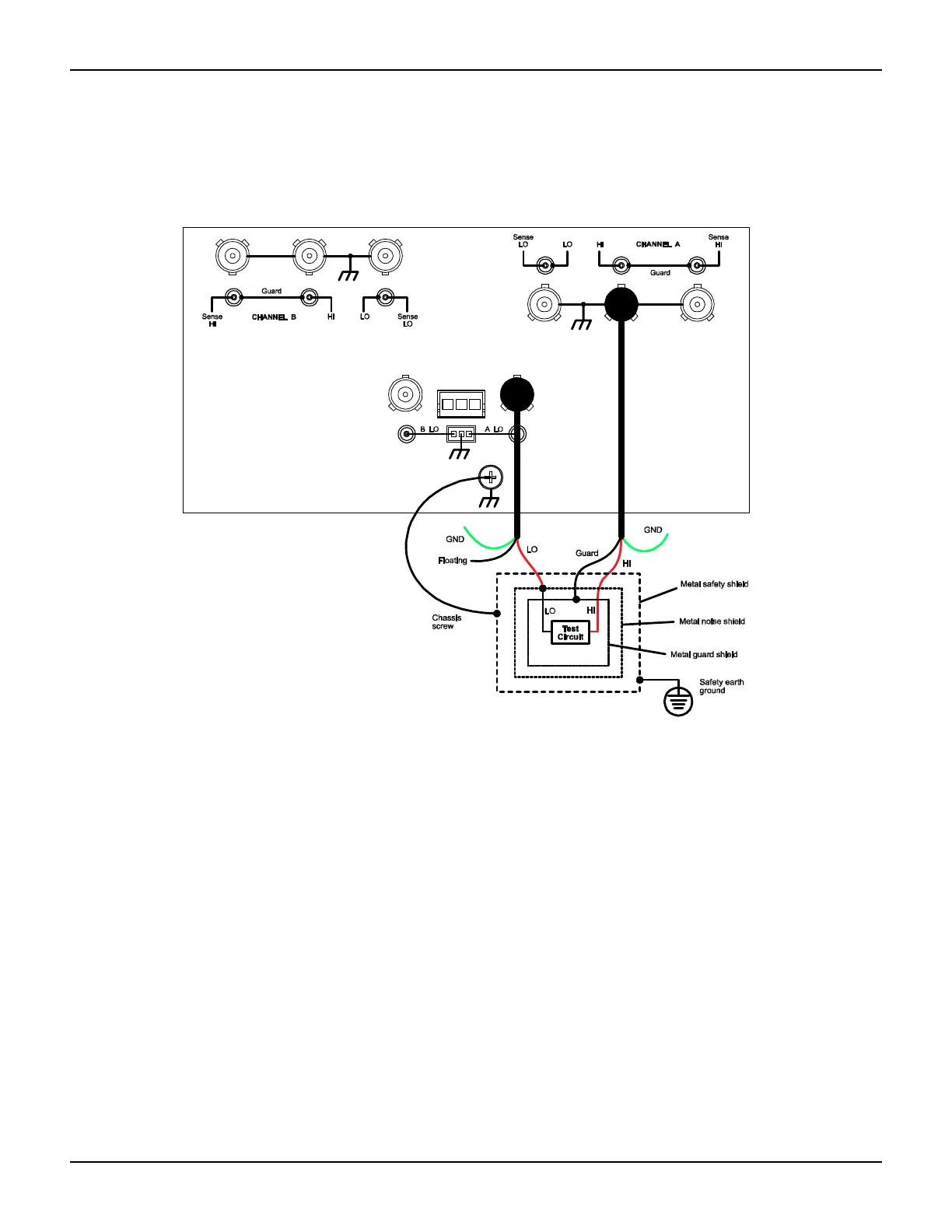
both a guard shield and a safety shield, which is necessary when hazardous voltages are used.
The inner shield (guard) of the HI triax cable is connected to the test fixture guard shield, and the
outer cable shield (chassis ground) is connected to the safety shield.
Figure A-7
Model 2635A/2636A low-current connections
Low-current measurement programming example
The command sequence for typical low-current measurements is shown below. The sequence
assumes that a 100GΩ resistor is being tested. These commands set the output voltage to 100V
and then measure and display both the current through the device as well as the resistance.
smua.reset() -- Restore defaults.
smua.source.func = smua.OUTPUT_DCVOLTS -- Set source to DCV.
smua.source.rangev = 200 -- Select 200V source range.
smua.source.levelv = 100 -- Output 100V DC.
smua.measure.rangei = 1e-9 -- Select 1nA range.
smua.source.limiti = 1e-9 -- Set current limit to 1nA.
smua.source.output = smua.OUTPUT_ON -- Turn on output.
print(smua.measure.i()) -- Display current reading.
print(smua.measure.r()) -- Display resistance reading.
smua.source.output = smua.OUTPUT_OFF -- Turn off output.

Table of Contents

Related product manuals