EasyManua.ls Logo

Keithley 3700A Series - ISOUR Open Voltage; VMEAS Open Voltage; Calculated Measurement Open Voltage

Keithley 3700A Series
936 pages
Print Icon
To Next Page IconTo Next Page
To Next Page IconTo Next Page
To Previous Page IconTo Previous Page
To Previous Page IconTo Previous Page
Loading...
Series 3700A System Switch/Multimeter Reference Manual Section 8: Theory of operation
3700AS-901-01 Rev. D/June 2018 8-15
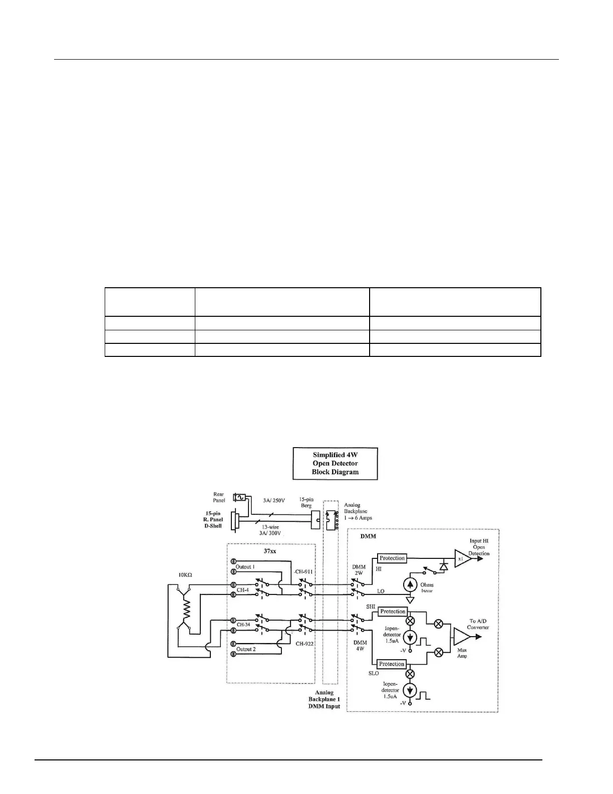
ISOUR open voltage
1 Ω through 1 MΩ ranges: A hardware detector detects an open input lead. The hardware detector
uses a comparator circuit to monitor the voltage on the ohm I
SOUR
V
OPEN-HI-LEAD
terminal.
For the lower ohms ranges (1 Ω, 10 Ω, and 10 kΩ), open circuit voltage on the ohm I
SOUR VOPEN-HI-
LEAD
terminal is more than 7.1 V.
For the higher ohms ranges (100 kΩ through 1 MΩ), open circuit voltage on the ohm I
SOUR VOPEN-HI-
LEAD
terminal is more than 12.8 V.
When an input lead (HI or LO) is open, as shown, voltage rises to the open-circuit level, then the A/D
will abort in less than 100 µsec and the "Overflow" message is displayed.
VMEAS open voltage
If either Input Sense HI or Sense LO V
MEAS
is outside the enclosed table voltages, the A/D stops in
less than 100 µs and returns an overflow reading.
Range
V
MEAS
SHI or SLO high limit open lead
detection
V
MEAS
SHI or SLO low limit open lead
detection
1 Ω to100 Ω
> 128 mV
< 10 mV
1 kΩ to 100
> 1.28 V
< 100 mV
1
> 12.8 V
< 1.0 V
Calculated measurement open voltage
A calculated measurement that exceeds 120 percent of the range returns an overflow reading.
Figure 115: 4-wire open detector with Series 3700A card

Table of Contents

Other manuals for Keithley 3700A Series

Related product manuals