EasyManua.ls Logo

Kelly KLS Series - KLS Controller Configuration and Software

Kelly KLS Series
35 pages
Print Icon
To Next Page IconTo Next Page
To Next Page IconTo Next Page
To Previous Page IconTo Previous Page
To Previous Page IconTo Previous Page
Loading...
Kelly KLS-M/N Brushless Motor Controller Users Manual V 2.5
14
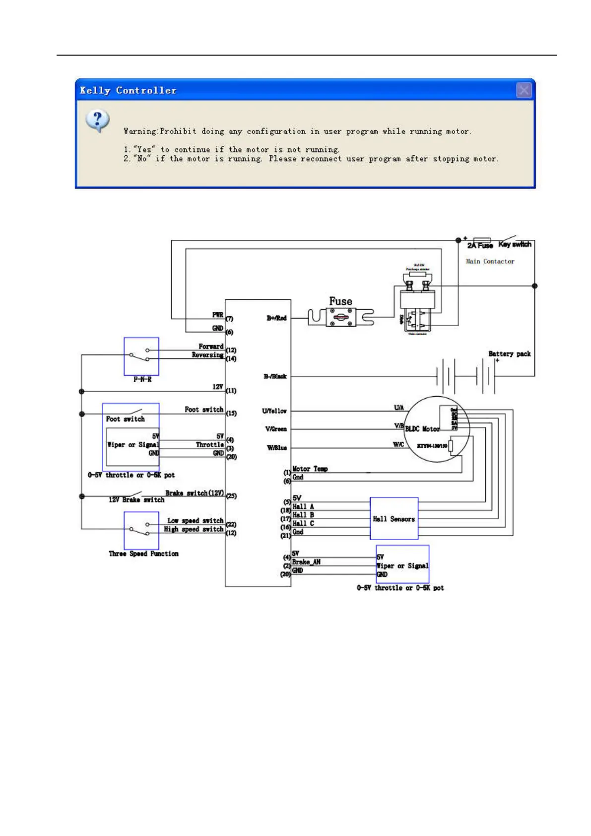
3.2.2 Standard Wiring of KLS-M Controller
Figure 6: KLS-N/M controller standard wiring
(Battery voltage can be used for controller supply)
3.2.3 Optional wiring of KLS-M controller

Related product manuals