EasyManua.ls Logo

Kelvion TEC1 - Wiring for KME, KMCX, KMCP; KME Fan and Defrost Wiring

Kelvion TEC1
46 pages
Print Icon
To Next Page IconTo Next Page
To Next Page IconTo Next Page
To Previous Page IconTo Previous Page
To Previous Page IconTo Previous Page
Loading...
25
Wiring diagrams
KEC 35 & 55 (Fan & Defrost)
Note:
1. Fans Supply 230V - 1Ph - 50Hz.
2. Applies to KEC range only
KEC 35 - Standard
KEC 45 - Special
3. High Speed: Connect Supply To
Terminal Block Terminals 1 and N.
4. Low Speed: Link Terminal Block
Terminals 1 & 2.
5. Defrost heaters (if required).
6. Terminal Box: 218-901-015.
Wiring diagrams for KME, KMCX, KMCP
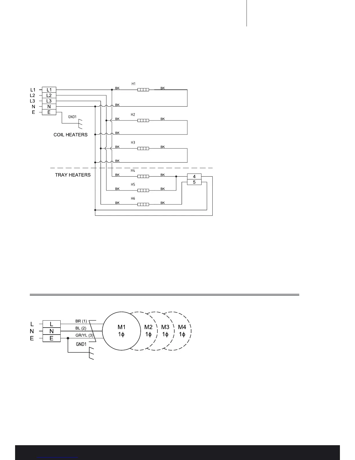
KME 50-95 (DEFROST HEATERS)
Note:
1. Defrost Heater Supply 400V - 3Ph - 50Hz.
2. Applies To KME Range Only.
KME 50-95
3. For Fan Arrangement - Ref. Drg. 271-111-125.
4. Terminal Box(S): 290-660-W; 290- 661-W.
KME 50-175 (1 PHASE FAN SUPPLY)
Note:
1. Fan Supply 230V - 1Ph - 50Hz.
2. Applies To KMe Range Only.
KME 50-60 1 Fan.
KME80-95 2 Fans
KME 115-140 3 Fans
KME 175 4 Fans
3. For Heater Arrangement:
KME50-95 - Ref. Drg. 271-111-171
KME 115-175 - Ref. Drg. 271-111-172
4. Terminal Box(S): 190-631-W(2F);
190-632-W(3F); 290-633-W(4F);
290-641-W(1F).
271-111-171
271-111-124

Other manuals for Kelvion TEC1