EasyManua.ls Logo

Kentec Electronics Sigma XT K11031M2 - Igniting Actuator Wiring; Setting up Extinguishant Monitoring Circuit

Default Icon
40 pages
Print Icon
To Next Page IconTo Next Page
To Next Page IconTo Next Page
To Previous Page IconTo Previous Page
To Previous Page IconTo Previous Page
Loading...
Product Manuals/Man-1088_Sigma XT_26 Page 16 of 40
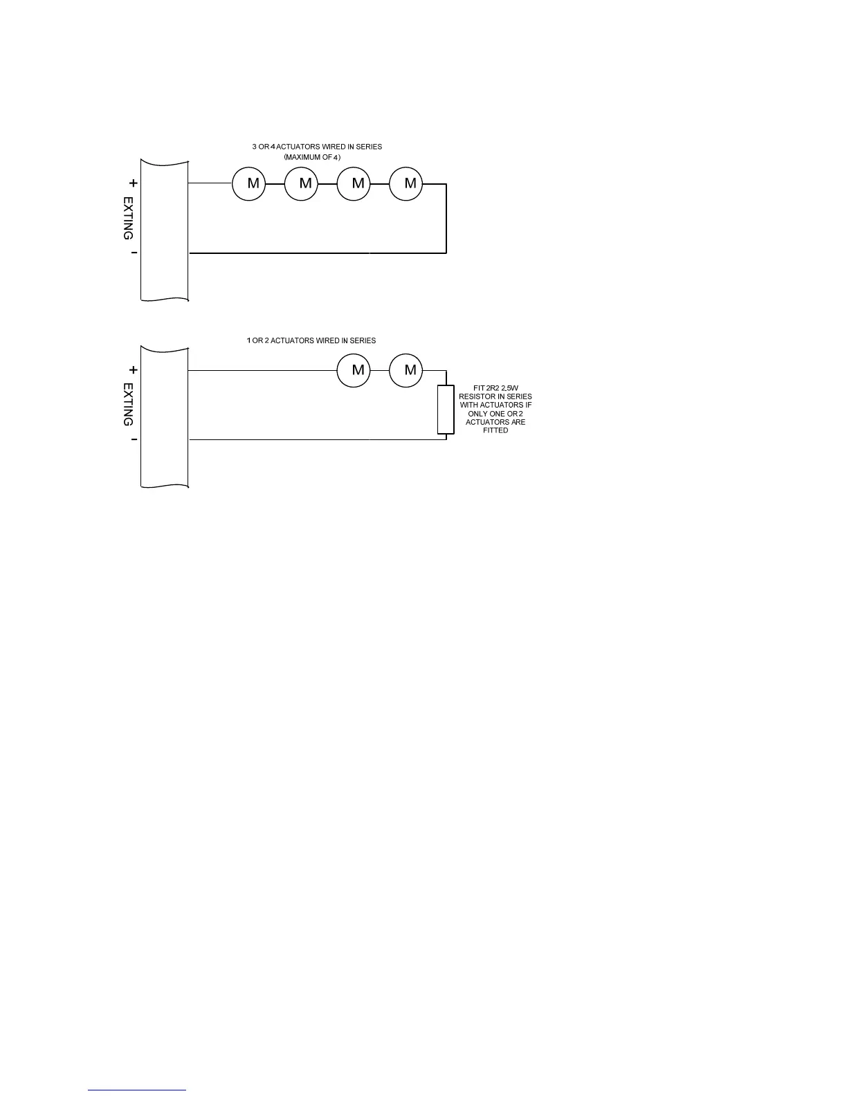
10.2 Igniting actuator wiring
A maximum of four igniting actuators can be wired in series. If only one or two actuators are fitted,
a 2R2, 2.5 Watt resistor must be wired in series with them to provide the correct monitoring
resistance. The end of line diode can be discarded when igniting actuators are used.
To guarantee firing under all conditions, the
total resistance of actuators, monitoring
resistor and cable should not exceed 7
ohms.
Figure 12. Example of wiring to actuators
10.3 Setting up extinguishant monitoring circuit
All control panels are supplied with end of line diodes for the connection of solenoids. It should not
be necessary to adjust the fault monitoring circuit in this configuration, unless the panel fails to report
a short circuit fault when tested by shorting the end of line device. If igniting actuators are to be
used, then the set up procedure detailed here should be followed.
To enable monitoring of circuits that have a very low resistance which varies according to the
number of actuators fitted and cable length, it is necessary to adjust the monitoring level once the
actuators have been fitted.
This is done using a variable resistor which is accessible through the front of the control panel
Make sure the extinguishant output is not active and no other faults are displayed when carrying
out this setting up procedure i.e. panel is in the quiescent state.
Adjustment
Rotate the extinguishant adjust control anticlockwise to illuminate the Fault lamp - anticlockwise >
ON
Rotate the extinguishant adjust control clockwise to extinguish the Fault lamp - clockwise > OFF

Table of Contents

Related product manuals