EasyManua.ls Logo

Kenwood CMOS-310 - Connections; Basic Connections

Kenwood CMOS-310
15 pages
Print Icon
To Next Page IconTo Next Page
To Next Page IconTo Next Page
To Previous Page IconTo Previous Page
To Previous Page IconTo Previous Page
Loading...
6
|
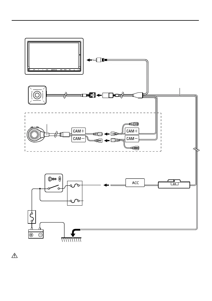
CMOS-310/CMOS-210
Video cord
Navigation system/video monitor (separately available)
GND cord (Black)
Accessory cord (Red)
GND
Battery
Main fuse
Fuse
Engine key
Connect to a metallic part of vehicle (a part of chassis connected to the
negative side of power supply).
CAUTION
If the engine key of your vehicle does not have the ACC position, branch the wire energized when the engine key is ON and
connect it to the accessory power cord.
Before proceeding to connections, make sure that the engine key is not inserted and disconnect the (-) terminal of the battery
to prevent the short-circuiting incident.
Connect to the ON-OFF switchable power supply.
Do not connect to a permanently ON power supply.
Fuse (2A)
Camera
Connect the camera to the camera connection cord.
Connect to the rearview camera video input or to the external
video input of the video monitor.
Power cord
Accessory power (ACC)
Switch unit (CMOS-310 only): 1 m (3.28 feet)
Basic Connections
Cameras cord length: 1.5 m (4.92 feet),
Power cord: 7.5 m (24.6 feet)
Connections
CAM+ (Green/red)
CAM- (Green/white)
  

Related product manuals