EasyManua.ls Logo

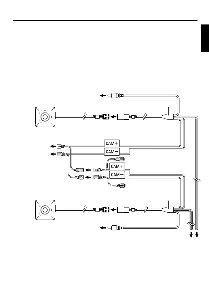
Kenwood CMOS-310 - System Connection (CMOS-310 only); Connection of 2 Cameras

Kenwood CMOS-310
15 pages
Print Icon
To Next Page IconTo Next Page
To Next Page IconTo Next Page
To Previous Page IconTo Previous Page
To Previous Page IconTo Previous Page
Loading...
CMOS-310/CMOS-210
|
7
ENGLISH
Video cord
Video cord
Camera 1 (Used as rearview camera) (ID1: Default)
Camera 2 (Used as front view camera)(Change ID to ID2.)
Connect to the dedicated rearview camera video
input.
Connect to the external video input. Select the
external video input to check the camera image.
Connect to the camera
control terminals of the
control unit.
CAM+ (Green/red)
CAM- (Green/white)
Connection of 2 Cameras
Power cord
System Connection (CMOS-310 only)
Power cord
To power supply
When connecting the camera to a Kenwood navigation system etc, (Control unit) equipped with the camera control function, use
the provided control unit connection cord. This allows the control unit to switch the display view and adjust the camera as well
on touch the control unit screen.
When using two CMOS-310 units (for the front and rear), it is required to set an ID for the front camera. For details, see Camera
ID Setting” (page 13).
Connect the power supply in the same way as “Basic Connections”.
The provided switch unit is not used in the system connection.
  

Related product manuals