EasyManua.ls Logo

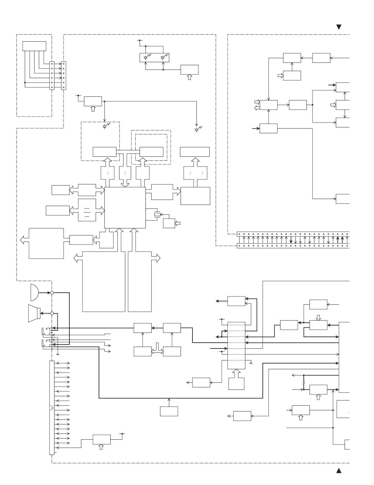
Kenwood TK-3170 E3 - Block Diagram

Kenwood TK-3170 E3
40 pages
Print Icon
To Next Page IconTo Next Page
To Next Page IconTo Next Page
To Previous Page IconTo Previous Page
To Previous Page IconTo Previous Page
Loading...
TK-3170 BLOCK DIAGRAM
34
IC7
30625MGP234HU
MICROPROCESSOR
A0~A18
D0~D7
WR
CSO
RD
IC8
AT29C040A-90TU
SP
LCD PANEL
UL
MOD
X501
16.8MHz
X1
11.0952MHz
Q17
2SC4649(N,P)
EEPROM
IC501
ADF4111BCP7
IC9
CAT24WC64WI
MIC
TX,RX
Q503
2SK508NV
D509,5
1
1SV325
F
Q501
2SC5488
DOUBLER
BPF
RX TUNE
D502,503
HSC277x2
LOOP
FILTER
PLL
TCXOTCXO
PLE,PDAT,
PCLK
TRIPL
E
Q701
2SC4649(
N
D501,517
MA2S077x2
NARROW
261
GND
PC
DSW
APCSW
5T
5T
5C
5C
5R
WIDE
DETAF
RSSI
ASQL
BPF
THM
PLE
PDAT
PCLK
UL
5MS
TCXO
TX
MOD
FLASH
MEMORY
EEPCL
EEPDAT
IC6
LC75834W
LCD DRIVER
S1
COM1
S30COM4
4KEY
12KEY
KEY1O
KEY3O
KEY4
KEY1
KEY4O
4KEY BOARD
X57-701 (D/4)
RF BOARD
X57-701 (A/4)
SB
LCD
AVR
SIDE KEY
SHIFT
SHIFT
REGISTOR
IC4,5
BU4094BCFVx2
AUX
PTT
SW1
SW2
GND
GND
1
6
1
6
PTT BOARD
X57-701 (C/4)
AF SW
MOD
AMP
IC12 (A/2)
TK62012F
LSD
FILTER
LSD
O
D/A CONVERTER
IC16
M62364FP-F
R167
AUDIO
MUTE
M
Q22
SSM3K15TE(F)
AM2
RA O
RA I
OPST
AUDIO
ATT
Q34
SSM3K15TE(F)
ALTI
5MS
IC17
TK62012F
TCXO
BUFFER
MOD
TCXO
BEEP
2
S
AF AMP
IC18
TA7368F
S
TX
TA2
RX HSD
AMP
IC15
TK62012F
HSDI
5MS
BPF
IC19
TC75S51FE(F)
DC AMP
AUDIO
MUTE
Q28,35
SSM3K01T(F)x2
AMP SW
MUTE
SW
Q27
DTC144EE
AM1
BA
S
CONTROL CIRCUIT
MAIN BOARD
X57-701 (B/4)
TXD
5MS
OPTDET
PTT/RXD
20
ALT2
ALT1
MIC I
RA O
RA I
AUX6
TA1
TXD2
TA2
DEO
MIC O
5C
AUX2
GND
AUX1
AUX4
AUX5
AUX3
RXD2
SSB
1
DC SW
Q15
SSM3K15TE(F)
Q16
2SA1774(S)
SB
SSBC
Q7
UPA672T
SB
LEDG,LEDR
ALC
Q25
2SK1830F
Q26
2SJ347F
D30,31
RB706F-40x2
DACDAT
DACCLK
DACLD
KEY BACK LIGHT
LCD BACK LIGHT
D2
B30-2278-05
D5,7
B30-2210-05x2
D8,9,12,13
B30-2050-05x4
DMUTE
SSBC
WIDE
NARROW
VOXMUTE
OPST
RX
TX
5MSC
SAVE
STSW
AM1
MMUTE
LCDBL
AQSFT
SFTSTB
SFTOE
DT
CK
TXD
RXD
TXD2
RXD2
AUX1
AUX2
AUX3
AUX4
AUX5
AUX6
APCSW
DSW
PC
EN1
EN2
EN3
EN4
VOLIN
PTT
AUX
SIDE1
SIDE2
5TC
5RC
AM2
LEDR
LEDG
SHIFT
VOXIN
BATTSEL
BATTLVL
ASQ
RSSI
THP
MDSW
SELF
OPTDET
HSDO
HSDIN
BEEP
LSDOUT
LSDIN
RESET
INT
PLLDAT
PLE
PCK
UL
DACDAT
DACCLK
DACDL
AFDAT
AFDIO
AFDIR
DTRLOAD
AFSTD
SCLK
BB RDF/FD
TCLK/DTRDO
DC
SW
LCDCLK
LCDDAT
LCDCE
LCDINH
DC
SW
TX
VCO
RX
VCO
VCO
SW
Q502
2SK508NV
(
D505,5
0
1SV325
F
D513
1SV27
8
Q21 : RN4910(F)
AFDE
AFDI
O
AFDI
R
DTRLO
A
VOXM
U
Q12
2SC4617(S)
Q13
2SB1132(Q,R)
LCDBL
Q23
DTC144EE
Q24
SSM6J08FU(F)

Related product manuals