EasyManua.ls Logo

KEY RAY - Page 31

Default Icon
36 pages
Print Icon
To Next Page IconTo Next Page
To Next Page IconTo Next Page
To Previous Page IconTo Previous Page
To Previous Page IconTo Previous Page
Loading...
KEY
AUTOMATION
14A
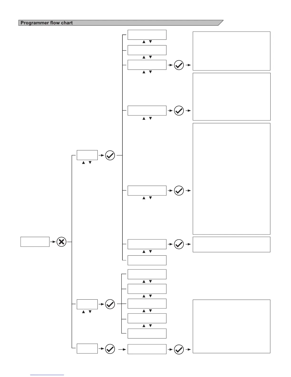
QUICK
PROGRAMMING
SELECT
LANGUAGE
ADD TX
FULL
PROGRAMMING
DELETE TX
BASIC SETTINGS
ADVANCED
SETTINGS
NIGHT LIGHTS
MANUAL
COMMANDS
DIAGNOSTIC
DELETE ALL
READ MEMORY
MEMORY
LOCK/UNLOCK
MOTOR 1 CURRENT (mA)
MOTOR 2 CURRENT (mA)
MOTOR 1 POSITION (%)
MOTOR 2 POSITION (%)
MOTOR 1 SPEED (%)
MOTOR 2 SPEED (%)
TOTAL CYCLES (CYCLES)
CYCLES LEFT BEFORE SERVICE
SOFTWARE VERSION
AUTOMATIC CLOSING TIME
AUTOMATIC CLOSING AFTER TRANSIT
SENSITIVITY
OPENING SPEED
SLOW DOWN OPENING SPEED
CLOSING SPEED
SLOW DOWN CLOSING SPEED
STEP BY STEP
MOTOR 2 DELAY
SLOW DOWN LENGTH
ENERGY SAVING
PHOTO 1
PHOTO 2
PHOTOTEST
EDGE TYPE
SAFETY EDGE
PEDESTRIAN OPENING LENGTH
AUTOMATIC CLOSING PEDESTRIAN OPEN
FLASH LIGHT
PRE-FLASHING
COURTESY LIGHT START
COURTESY LIGHT TIME
LIGHT INTENSIVITY AT END OF MOVEMENT
STOP BUTTON
DEAD MAN
GATE OPEN INDICATOR
MAINTENANCE
MAINTENANCE FLASH
ELECTROLOCK ACTIVATION
WATER HAMMERING IN OPENING
WATER HAMMERING IN CLOSING
MOTOR RELEASE AT STOP
START UP BOOST
CLOSING DELAY M 1
ENCODER
ENCODER PULSES
DEFAULT
AUTOMATIC LIGHT
LIGHT INTENSIVITY
EXTERNAL LIGHT LEVEL
ENGLISH
CESKY
DEUTSCH
ESPANOL
FRANCAIS
ITALIANO
MAGYAR
NEDERLANDS
POLSKI
PORTUGUES
SLOVENSCINA
DISPLAY
OPTIONS
RX4X
29