EasyManua.ls Logo

Kidde GSA-REL - Warning Notice Placards

Kidde GSA-REL
64 pages
Print Icon
To Next Page IconTo Next Page
To Next Page IconTo Next Page
To Previous Page IconTo Previous Page
To Previous Page IconTo Previous Page
Loading...
Chapter 2: Installation
GSA-REL Technical Reference Manual 29
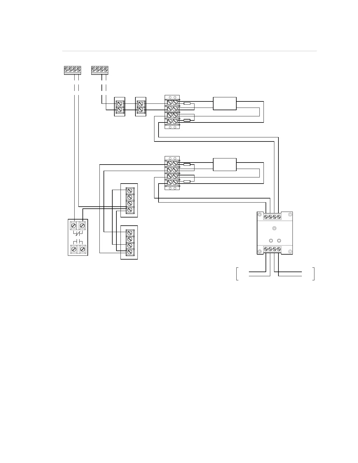
Figure 14: QuickStart annunciation of the prerelease and release relays
Warning notice placards
To ensure safety with the GSA-REL:
Copy Figure 15. Cut out the photocopied placard along the perforated line,
and post it next to the GSA-REL.
Copy Figure 16. Cut out the photocopied placard along the perforated line,
and post it next to the fire alarm control panel.
Inform all appropriate personnel about the posted warnings, their locations,
and their importance.
Enforce compliance with these warnings during all installation, testing, and
service procedures.
Active
Normal
TB4
1 2 3 4
TB5
1 2 3 4
RELA-EOL
RELA-EOL
Horn or
strobe
RELA-SRV-1
Horn or
strobe
+
+
-
-
+
-
+
-
4
1
4
1
47 k
EOLR
Red
White
PAM-1
Blue
Orange
24
0V
C
NO
47 k
EOLR
Dual row
terminal blocks
(supplied by installer)
78
1234
56
(+)
(-)
DATA IN from
previous device
(+)
(-)
Model: CT2
1st Device type: Monitor
1st Personality: (3) Active B
1st Text 1: REL1 RELEASE
1st Text 2: CKT ACTIVE
2nd Device type Monitor
2nd Personality: (3) Active B
2nd Text 1: REL1 PREREL
2nd Text 2: CKT ACTIVE
DATA OUT to
next device
47 k
EOLR
Red
White
PAM-1
Blue
Orange
24
0V
C
NO
47 k
EOLR

Related product manuals