EasyManua.ls Logo

KitchenAid 8301169 - Page 24

KitchenAid 8301169
24 pages
Print Icon
To Previous Page IconTo Previous Page
To Previous Page IconTo Previous Page
Loading...
Pièce n
°
8301169 Rév. A
©2003 KitchenAid
® Marque déposée/marque de
commerce de KitchenAid U.S.A.;
emploi sous licence au Canada par
KitchenAid Canada
Préparé par KitchenAid, Benton Harbor, Michigan 49022
Imprimé aux É.-U.
®
APPAREILS MÉNAGERS
L2NEU
L1
CAPTEUR DE
TEMPÉRATURE
1080 AT 70°F/21,1°C
1654
AT 350°F/176,6°C
TRANSFORMATEUR
D'ALIMENTATION -
MODULE DE COMMANDE
M
~
GRIL-3000W
CUISSON AU
FOUR-2000W
CONV.-1600W
LAMPE À
HALOGÈNE - 5 W
CONTACTEUR DU LOQUET
(COMMANDÉ PAR MOTEUR)
CONTACTEUR
DE PORTE 1
MAR
BU
V
VERT
BL
OR
BU
R
J
R
GR
N
N
BL
N
BL
t°
N
P4-1
P4-2
P7-4
P7-2
P7-3
P3-1
P1-3
P5-4
P5-1
P5-3
P1-1
P1-5
TA N
REMARQUE : CIRCUIT ILLUSTRÉ EN MODE D'ATTENTE/ARRÊT AVEC PORTE DU FOUR FERMÉE.
P7-1
BL
BL
TA N
TA N
BL
N
BL
R
VENTILATEUR
(VOIR
*
)
VERROUILLAGE
PORTE MOTEUR
DU LOQUET
R
V
P7-5
DISPOSITIF ANTIPARASITE
WP no 4451985
COMMANDE ÉLECTRONIQUE
RELAIS
DISJONCTEUR -
DEUX LIGNES
T. O.D. PAS RÉINITIALISABLE
P9-1
P9-3
CONNECTEUR WISP
(
*
) LE VENTILATEUR RESTE ÉTEINT JUSQU'À CE QUE LE FOUR ATTEIGNE 19O°F (88°C) ET PEUT CONTINUER DE
FONCTIONNER JUSQU'À 45 MINUTES APRÈS QUE LE FOUR EST ÉTEINT.
SYST. DE
VERROUILLAGE
F
J
OR
2
1
A
N
BL
N
N
N
ARRÊT
AUTO
CONTACTEUR
D'ÉCLAIRAGE
ALIMENTATION
ÉCLAIRAGE
P3-2
P3-3
N
J
P8-1
P8-3
J
P8-2
OR
P8-4
N
CONTACTEUR
DE PORTE 2
SUR SYSTÈME
DE VERROUILLAGE
OR
BL
C
BL
BL
BL
BL
BL
B
R
R
M
~
M
~
VENTILATEUR
CONV.
R
BL
BU
BU
BU
FUSIBLE THERMIQUE DU TABLEAU
DE COMMANDE (183°F)84°C
N
BL
L1
L2NEU
COMMUTATEURS
DES ROBINETS
ÉLECTRODES D’ÉTINCELAGE
MODULE
D’ÉTINCELAGE
JA OU MAR (6) PLCS
BL
R
BL
BL
BL
BL
VERT
R
N
TERRE
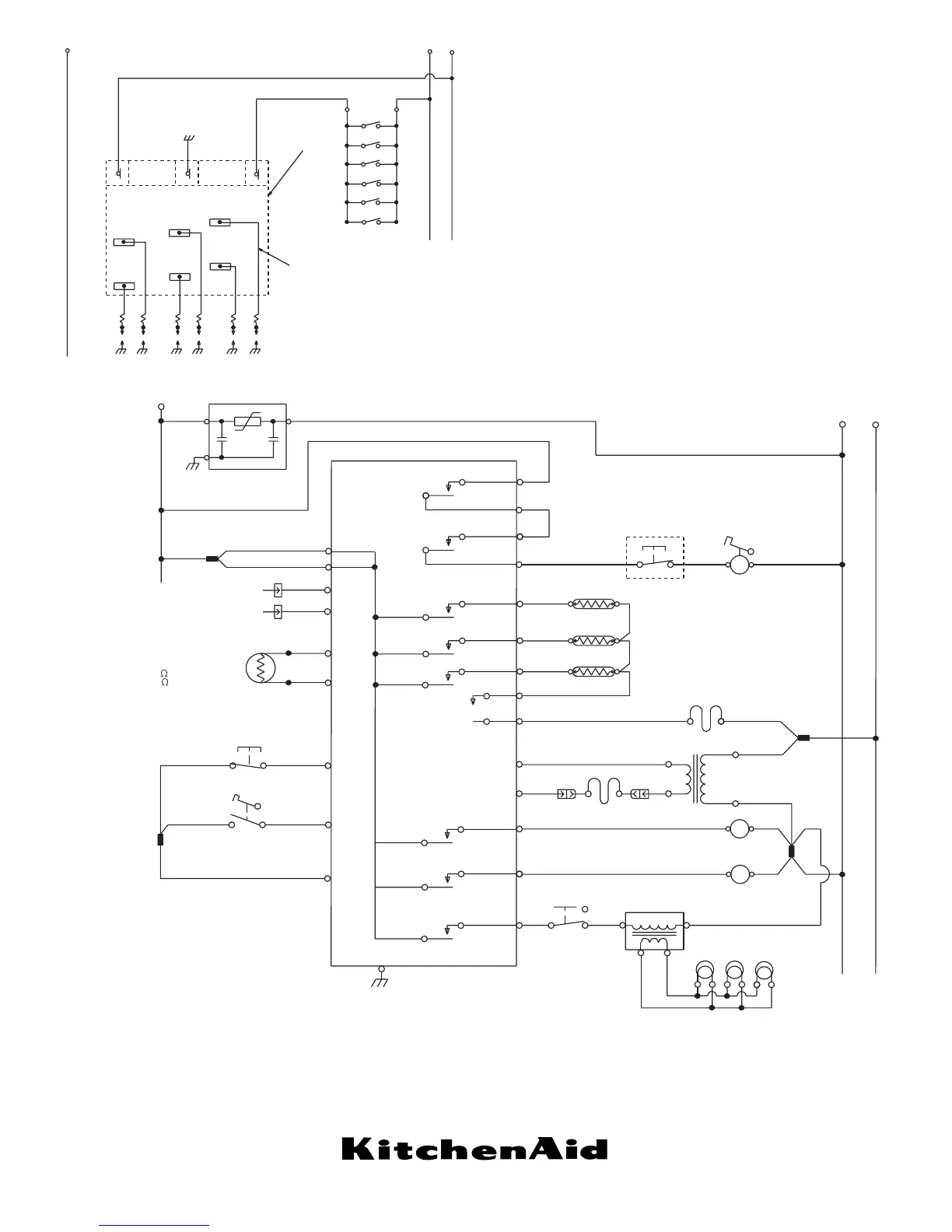
Schéma de la table
de cuisson
Schéma du four

Related product manuals