EasyManua.ls Logo

Kity 439 - Page 32

Kity 439
80 pages
Print Icon
To Next Page IconTo Next Page
To Next Page IconTo Next Page
To Previous Page IconTo Previous Page
To Previous Page IconTo Previous Page
Loading...
FR
31
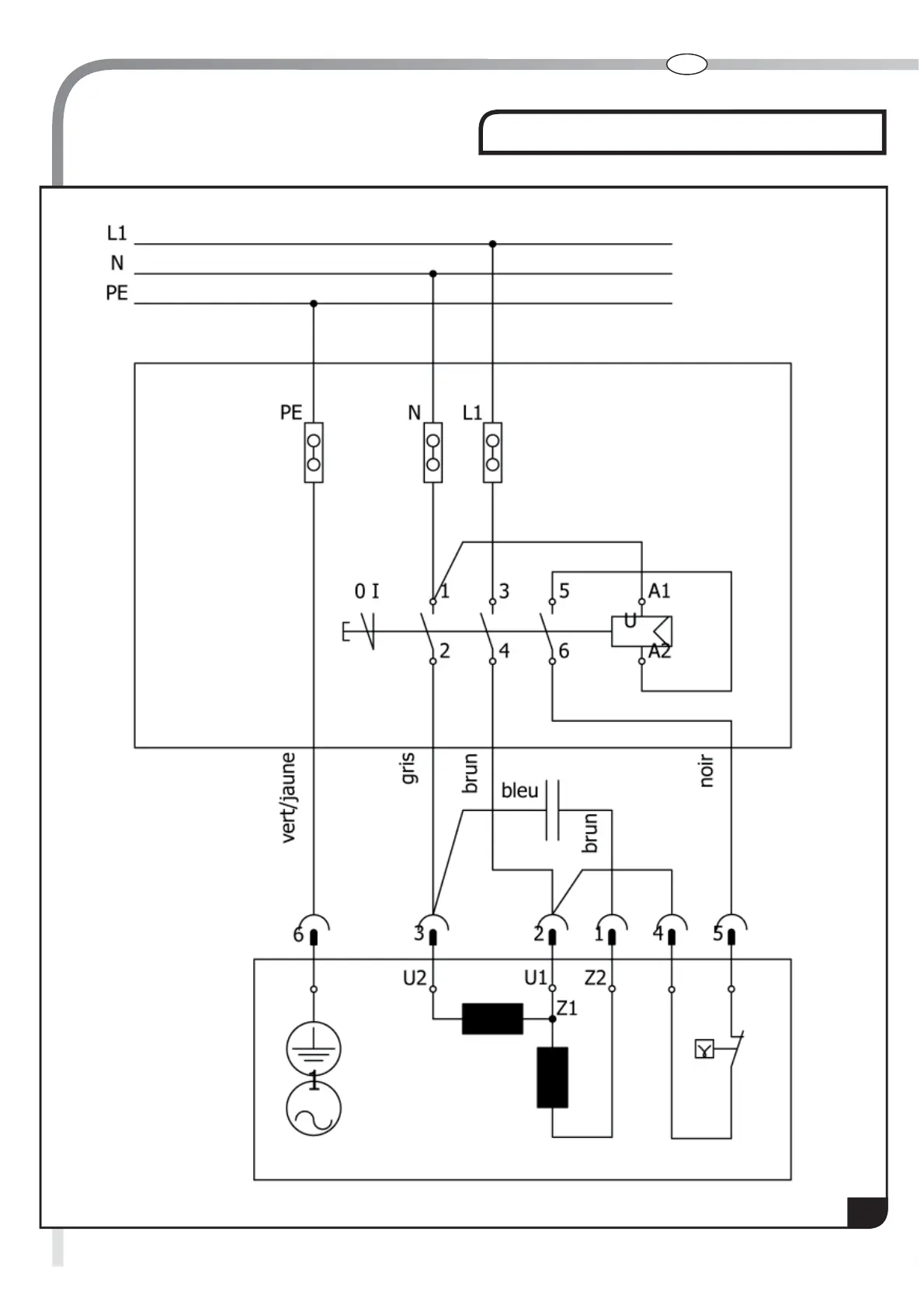
6. MISE EN SERVICE DE LA MACHINE
16
230V

Table of Contents

Related product manuals