EasyManua.ls Logo

Kity 439 - Page 33

Kity 439
80 pages
Print Icon
To Next Page IconTo Next Page
To Next Page IconTo Next Page
To Previous Page IconTo Previous Page
To Previous Page IconTo Previous Page
Loading...
D
GB
32
17
6. INBETRIEBNAHME DER MASCHINE
6. PUTTING THE MACHINE INTO OPERATION
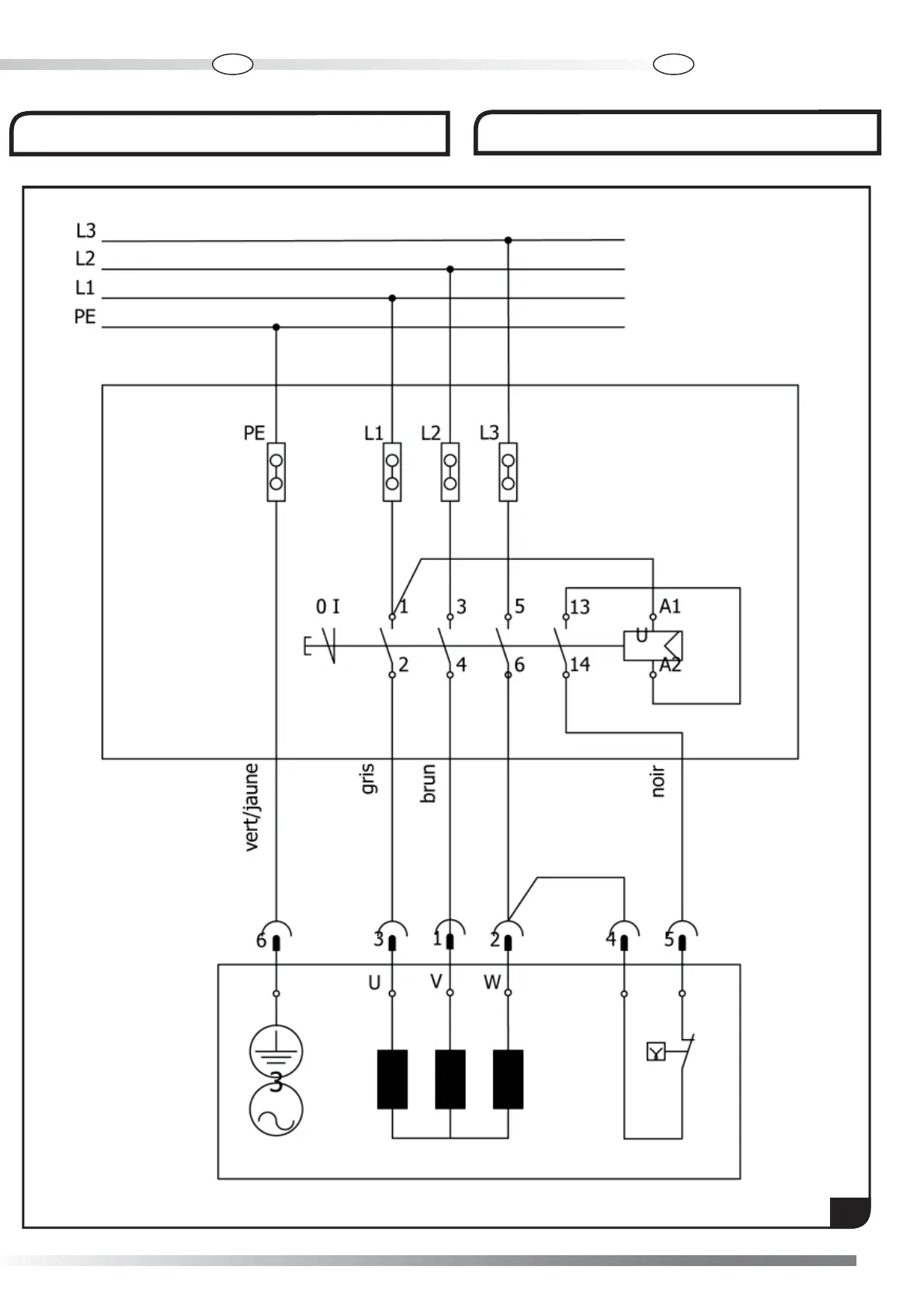
400V

Table of Contents

Related product manuals